Запчасти Komatsu PC138US-8 ОСНОВН. КОНСТРУКЦИЯ (2 УПРАВЛ. НАВЕСН. ОБОРУД.) (ПРАВ.)(№-) КАБИНА ОПЕРАТОРА И СИСТЕМА УПРАВЛЕНИЯ

Схема запчастей Komatsu PC138US-8 - ОСНОВН. КОНСТРУКЦИЯ (2 УПРАВЛ. НАВЕСН. ОБОРУД.) (ПРАВ.)(№-) КАБИНА ОПЕРАТОРА И СИСТЕМА УПРАВЛЕНИЯ
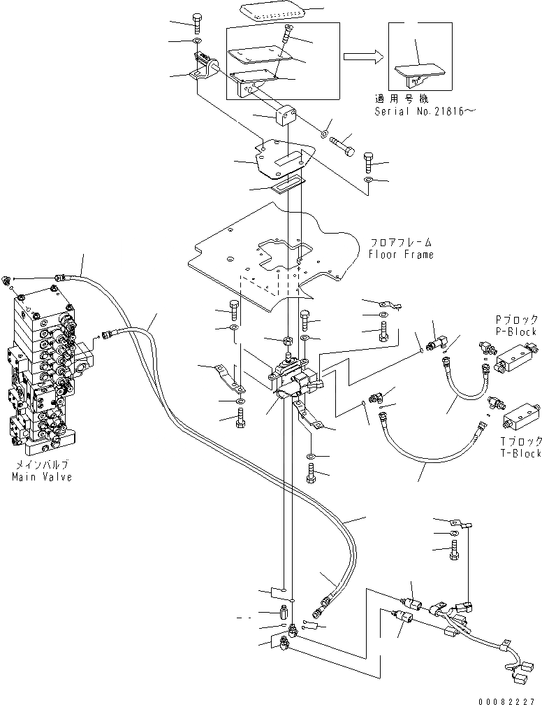
1
2
3
3
4
4
5
6
7
8
8
9
10
11
11
12
12
13
13
14
15
16
17
18
19
20
21
22
22
22
22
23
23
23
24
25
26
27
27
28
29
29
30
30
31
31
32
32
33
34
35
36
FIT
1:1
100%

Артикул

Название

Примечание

Количество

1

702-16-04290

PILOT VALVE,(SEE FIG. Y1670-21A0)

2

22U-43-21470

SEAT

3

01010-81025

BOLT

4

01643-31032

WASHER

5

20Y-62-25360

BRACKET

6

01010-81025

BOLT

7

01643-31032

WASHER

8

22B-43-23730

PEDAL

8

22B-43-23610

PEDAL

9

01010-D1045

BOLT

10

01643-71032

WASHER

11

22B-43-23620

PLATE

12

01010-81020

BOLT

13

01643-31032

WASHER

|$26

22B-43-23630

PLATE

14

PLATE

15

22B-43-23650

SHEET (BONDED)

16

01010-81016

BOLT

17

01643-31032

WASHER

18

207-43-81240

CAP

19

22B-43-23660

PLATE

20

01224-70812

SCREW

21

21W-62-43980

ELBOW

22

07000-12011

O-RING

23

02896-11008

O-RING

24

21W-62-43990

ELBOW

25

20T-910-8660

NIPPLE

26

22B-62-25650

ELBOW

27

206-06-61130

SWITCH

28

08053-01510

CLIP

29

01010-81016

BOLT

30

01643-31032

WASHER

|$48

22B-62-25601

HOSE ASS'Y

31

207-62-74760

HOSE, 2100MM

31

21U-62-34750

BAND, BLUE

32

22B-62-25641

HOSE, 1750MM

32

21U-62-34760

BAND, RED

33

22B-62-25320

HOSE, 300MM

34

20Y-62-51910

HOSE, 400MM

35

08193-20010

CLIP

36

01583-51408

NUT

Выбрано товаров: 0