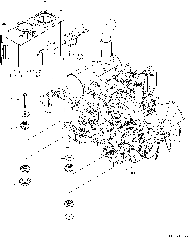
Запчасти Komatsu PC138US-8 КРЕПЛЕНИЕ ДВИГАТЕЛЯ(№-) КОМПОНЕНТЫ ДВИГАТЕЛЯ

Схема запчастей Komatsu PC138US-8 - КРЕПЛЕНИЕ ДВИГАТЕЛЯ(№-) КОМПОНЕНТЫ ДВИГАТЕЛЯ
1
1
1
1
1
1
2
3
3
3
4
4
5
5
6
7
FIT
1:1
100%

Артикул

Название

Примечание

Количество

1

22B-01-21530

CUSHION

2

203-01-61160

STOPPER

3

203-01-67540

WASHER

4

113-01-21120

WASHER

5

01011-81630

BOLT

6

01010-80825

BOLT

7

01643-30823

WASHER

Выбрано товаров: 7