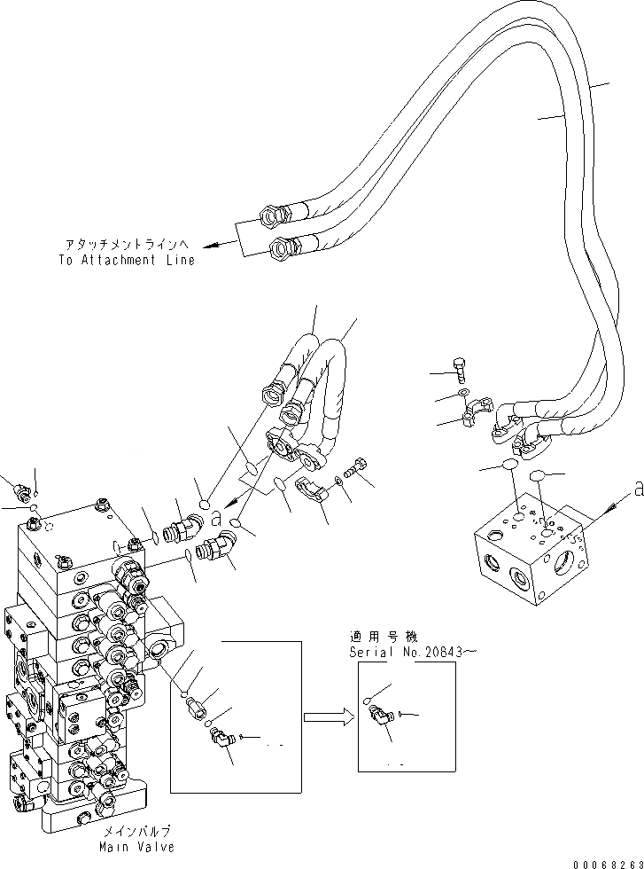
Запчасти Komatsu PC138US-8 НАВЕСНОЕ ОБОРУД-Е (ДЛЯ -НАВЕСН. ОБОРУД)(№-) ГИДРАВЛИКА

Схема запчастей Komatsu PC138US-8 - НАВЕСНОЕ ОБОРУД-Е (ДЛЯ -НАВЕСН. ОБОРУД)(№-) ГИДРАВЛИКА
1
1
2
2
3
3
4
5
6
7
8
8
9
9
10
10
11
11
11
11
12
13
14
14
15
16
16
16
17
17
17
FIT
1:1
100%

Артикул

Название

Примечание

Количество

1

02783-10628

ELBOW

2

02896-11018

O-RING

3

07002-12434

O-RING

4

22B-62-23561

HOSE, 540MM

4

21U-62-34780

BAND, BROWN

5

22B-62-23571

HOSE, 580MM

5

21U-62-34770

BAND, WHITE

6

22B-62-23542

HOSE, 2240MM

6

21U-62-34750

BAND, BLUE

7

22B-62-23552

HOSE, 2070MM

7

21U-62-34760

BAND, RED

8

07371-30640

FLANGE,SPLIT

9

07372-21035

BOLT

10

01643-51032

WASHER

11

07000-13025

O-RING

12

203-62-58880

ADAPTER

13

07002-11423

O-RING

14

02782-10210

ELBOW

14

02782-10210

ELBOW

15

02782-10212

ELBOW

16

02896-11008

O-RING

17

07002-11423

O-RING

Выбрано товаров: 22