Запчасти Komatsu PC138US-8 НАВЕСНОЕ ОБОРУД-Е (ДЛЯ -НАВЕСН. ОБОРУД И ДВОЙН. OFFSET СТРЕЛА СПЕЦ-Я. СТУПЕНИ)(№7-) ГИДРАВЛИКА

Схема запчастей Komatsu PC138US-8 - НАВЕСНОЕ ОБОРУД-Е (ДЛЯ -НАВЕСН. ОБОРУД И ДВОЙН. OFFSET СТРЕЛА СПЕЦ-Я. СТУПЕНИ)(№7-) ГИДРАВЛИКА
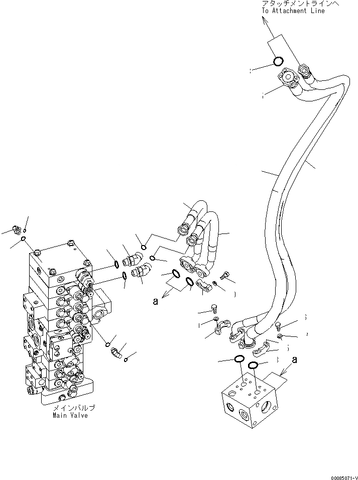
1
1
2
2
3
3
4
5
6
7
8
8
9
9
10
10
11
11
11
12
12
13
13
14
14
15
15
16
17
18
18
FIT
1:1
100%

Артикул

Название

Примечание

Количество

1

02783-10628

ELBOW

2

02896-11018

O-RING

3

07002-12434

O-RING

4

22B-62-29550

HOSE, 2240MM

4

21U-62-34760

BAND, RED

5

22B-62-29790

HOSE, 590MM

5

21U-62-34770

BAND, WHITE

6

22B-62-29540

HOSE, 2260MM

6

21U-62-34750

BAND, BLUE

7

22B-62-29780

HOSE, 570MM

7

21U-62-34780

BAND, BROWN

8

07371-30640

FLANGE

9

07372-21035

BOLT

10

01643-51032

WASHER

11

07000-13025

O-RING

12

02782-10210

ELBOW

13

02896-11008

O-RING

14

07002-11423

O-RING

15

07371-31049

FLANGE

16

07372-21035

BOLT

17

01643-51032

WASHER

18

07000-13032

O-RING

Выбрано товаров: 22