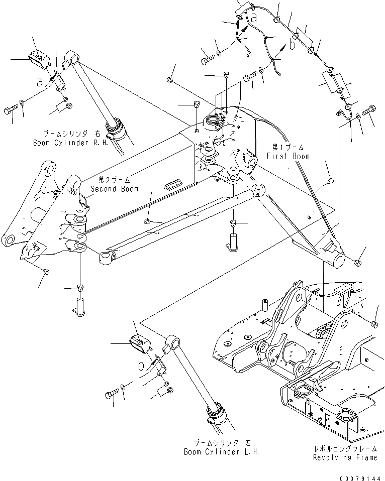
Запчасти Komatsu PC138US-8 СТРЕЛА (РАБОЧ. ОСВЕЩЕНИЕ И ЭЛЕКТРОПРОВОДКА) (KUK OFFSET СТРЕЛА СПЕЦ-Я.)(№-) РАБОЧЕЕ ОБОРУДОВАНИЕ

Схема запчастей Komatsu PC138US-8 - СТРЕЛА (РАБОЧ. ОСВЕЩЕНИЕ И ЭЛЕКТРОПРОВОДКА) (KUK OFFSET СТРЕЛА СПЕЦ-Я.)(№-) РАБОЧЕЕ ОБОРУДОВАНИЕ
1
1
1
1
2
2
3
3
4
4
4
4
5
5
5
5
6
7
7
7
7
7
7
7
8
9
10
10
10
10
10
11
11
11
11
11
12
12
12
12
12
FIT
1:1
100%

Артикул

Название

Примечание

Количество

1

22B-06-11690

WORK LAMP ASS'Y

2

421-06-23330

BULB, 70W

3

21Y-70-21350

BRACKET

4

01010-81030

BOLT

5

01643-31032

WASHER

6

22B-06-28610

WIRING HARNESS

7

04434-51010

CLIP

8

01010-81016

BOLT

9

01643-31032

WASHER

10

08034-40521

BAND

10

08034-30521

BAND

11

07049-01012

PLUG

12

07049-01215

PLUG

Выбрано товаров: 0