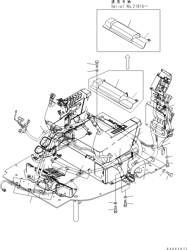
Запчасти Komatsu PC138US-8 ОСНОВН. КОНСТРУКЦИЯ (Э/ПРОВОДКА КРЕПЛЕНИЕ) K OPERATORґS ОБСТАНОВКА И СИСТЕМА УПРАВЛЕНИЯ

Схема запчастей Komatsu PC138US-8 - ОСНОВН. КОНСТРУКЦИЯ (Э/ПРОВОДКА КРЕПЛЕНИЕ) K OPERATORґS ОБСТАНОВКА И СИСТЕМА УПРАВЛЕНИЯ
2
1
2
1
3
4
8
16
10
19
18
19
18
10
21
6
5
15
14
7
9
12
7
8
20
7
13
17
11
10
FIT
1:1
100%

Артикул

Название

Примечание

Количество

|$1

22B-06-28512

BRACKET

|$2

22B-06-28511

BRACKET

1

BRACKET

2

22B-06-21522

SHEET

2

22B-06-21521

SHEET

3

01010-80816

BOLT

4

01643-30823

WASHER

5

01010-81016

BOLT

6

01643-31032

WASHER

7

08211-00720

CLIP

8

08211-01520

CLIP

9

08211-01920

CLIP

10

04434-53411

CLIP

11

04434-53411

CLIP

12

08034-20414

BAND

13

04434-53411

CLIP

14

01010-81020

BOLT

15

01643-31032

WASHER

16

08034-40521

BAND

17

07095-20625

CUSHION

18

01010-81020

BOLT

19

01643-31032

WASHER

20

08034-20536

BAND

21

08034-20536

BAND

Выбрано товаров: 24