Качественные детали и логистика
Оригинальные и аналоговые запчасти с доставкой по России, Казахстану и Беларуси
©2022 PartSell ООО "Система" ИНН 2463123282 ОГРН 1212400004838
Центральный офис: г. Красноярск, Академика Киренского, д.87, пом.4
Телефон: 8 (800) 777-65-74 Email: zakaz@partsell.ru
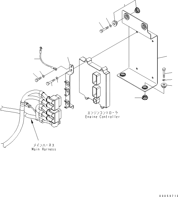
VEHICLE ЭЛЕКТР. (ДВИГАТЕЛЬ РЕЛЕ КОРПУС КРЕПЛЕНИЯ)
№
Артикул
Название
Примечание
Количество
1
22B-06-21130
BRACKET
2
22B-06-21150
3
01010-80850
BOLT
4
01643-30823
WASHER
5
6251-81-7210
CUSHION
6
7
8
22B-06-21730
CABLE
9
01010-80816
10
Выбрано товаров: 0