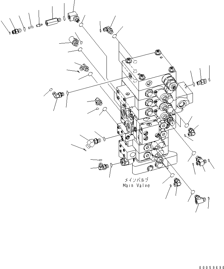
Запчасти Komatsu PC138US-8 ГИДРОЛИНИЯ РУКОЯТИ И КОВША(/) H ГИДРАВЛИКА

Схема запчастей Komatsu PC138US-8 - ГИДРОЛИНИЯ РУКОЯТИ И КОВША(/) H ГИДРАВЛИКА
1
1
2
2
3
3
4
5
5
6
7
8
9
9
10
10
11
12
13
14
15
16
17
17
18
18
19
19
20
21
22
23
24
25
26
27
28
29
30
31
32
33
34
35
36
37
FIT
1:1
100%

Артикул

Название

Примечание

Количество

1

02782-10210

ELBOW

2

02896-11008

O-RING

3

07002-11423

O-RING

4

11Y-62-12250

TEE

5

02896-11008

O-RING

6

07002-11423

O-RING

7

22B-62-21810

TEE

8

22B-62-22690

TEE

9

02896-11008

O-RING

10

07002-11423

O-RING

11

02782-10210

ELBOW

12

02896-11008

O-RING

13

07002-11423

O-RING

14

02782-10210

ELBOW

15

02896-11008

O-RING

16

07002-11423

O-RING

17

22B-62-21381

ELBOW

18

02896-11008

O-RING

19

07002-11423

O-RING

20

11Y-62-12510

ELBOW

21

07002-11423

O-RING

22

02896-11009

O-RING

23

20F-61-12460

ELBOW

24

07002-11423

O-RING

|$29

20Y-62-41701

VALVE ASSEMBLY

25

20Y-60-22210

BODY

26

20Y-60-22270

POPPET

27

701-20-61230

SPRING

28

07002-11423

O-RING

29

20Y-62-47630

NIPPLE

30

07002-11423

O-RING

31

02896-11008

O-RING

32

02781-0031D

UNION

33

02896-11009

O-RING

34

07002-11423

O-RING

35

02782-10210

ELBOW

36

02896-11008

O-RING

37

07002-11423

O-RING

Выбрано товаров: 38