Запчасти Komatsu PC138US-8 ОСНОВН. КОНСТРУКЦИЯ, ПОЛ, ОСНОВ. (№-) ОСНОВН. КОНСТРУКЦИЯ, С ДВОЙН. OFFSET СТРЕЛА, СТУПЕНИ, С -ДОПОЛН. АКТУАТОР ТРУБЫ, С ОТВАЛ

Схема запчастей Komatsu PC138US-8 - ОСНОВН. КОНСТРУКЦИЯ, ПОЛ, ОСНОВ. (№-) ОСНОВН. КОНСТРУКЦИЯ, С ДВОЙН. OFFSET СТРЕЛА, СТУПЕНИ, С -ДОПОЛН. АКТУАТОР ТРУБЫ, С ОТВАЛ
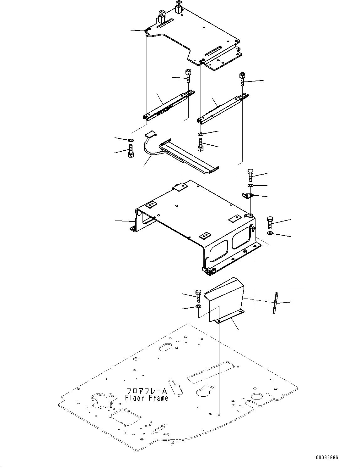
4
5
6
7
8
12
13
14
13
14
15
18
16
17
1
2
3
9
10
11
FIT
1:1
100%

Артикул

Название

Примечание

Количество

1

22B-43-23433

Bracket

2

01010-D1235

Bolt

3

01643-71232

Washer

4

22M-43-21220

Adjuster,L.H.

5

01252-80816

Bolt

6

22M-43-21230

Adjuster,R.H.

7

01252-80816

Bolt

8

22B-43-23371

Pipe

9

22B-43-23351

Stopper

10

01010-D1020

Bolt

11

01643-71032

Washer

12

22B-43-23451

Frame

13

01252-80825

Bolt

14

01643-80823

Washer

15

22B-43-23461

Cover

16

01010-81020

Bolt

17

01643-31032

Washer

18

22B-43-23590

Trim

Выбрано товаров: 18