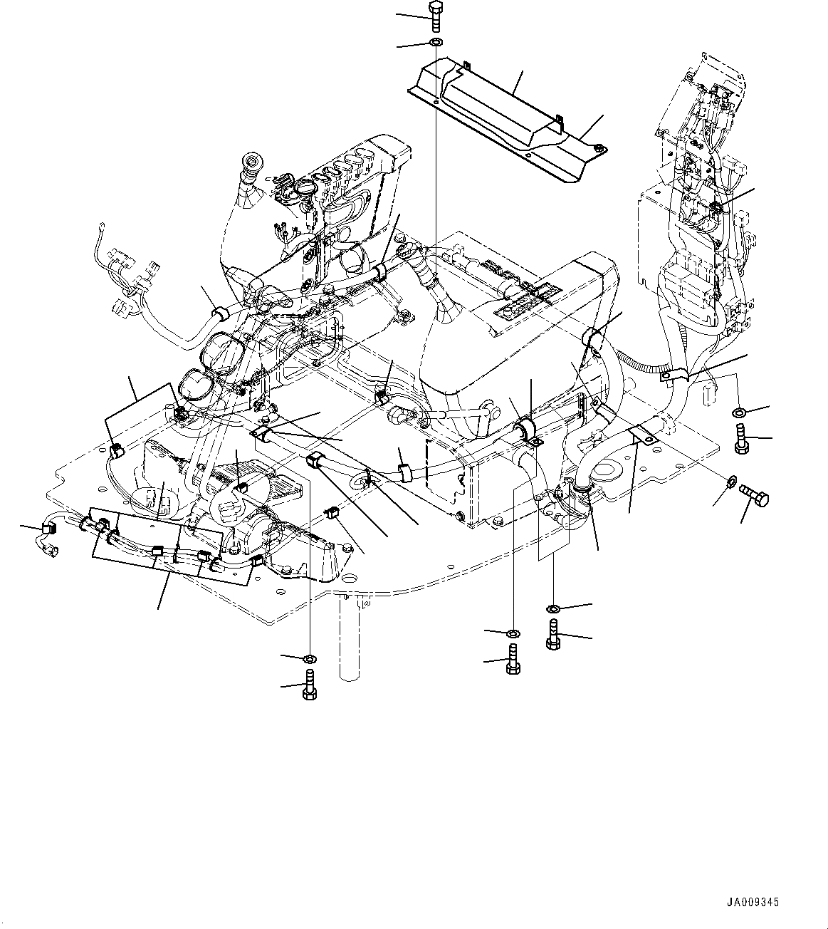
Запчасти Komatsu PC138US-8 ОСНОВН. КОНСТРУКЦИЯ, ПРОВОДКА КРЕПЛЕНИЕ (№-) ОСНОВН. КОНСТРУКЦИЯ, С ДВОЙН. OFFSET СТРЕЛА, СТУПЕНИ, С -ДОПОЛН. АКТУАТОР ТРУБЫ

Схема запчастей Komatsu PC138US-8 - ОСНОВН. КОНСТРУКЦИЯ, ПРОВОДКА КРЕПЛЕНИЕ (№-) ОСНОВН. КОНСТРУКЦИЯ, С ДВОЙН. OFFSET СТРЕЛА, СТУПЕНИ, С -ДОПОЛН. АКТУАТОР ТРУБЫ
13
6
5
7
14
18
12
9
3
4
11
1
7
20
19
16
15
2
9
22
21
10
10
7
7
14
18
19
20
7
8
11
20
17
19
11
FIT
1:1
100%

Артикул

Название

Примечание

Количество

|$0

22B-06-28520

Bracket

1

Bracket

2

22B-06-28140

Sheet

3

01010-80816

Bolt

4

01643-30823

Washer

5

01010-81016

Bolt

6

01643-31032

Washer

7

08211-00720

Clip

8

08211-01020

Clip

9

08211-01520

Clip

10

08211-02220

Clip

11

04434-53411

Clip

12

04434-53411

Clip

13

08034-20414

Band

14

04434-53411

Clip

15

01010-81020

Bolt

16

01643-31032

Washer

17

08034-40521

Band

18

07095-20625

Cushion

19

01010-81020

Bolt

20

01643-31032

Washer

21

08034-20536

Band

22

08034-20536

Band

Выбрано товаров: 23