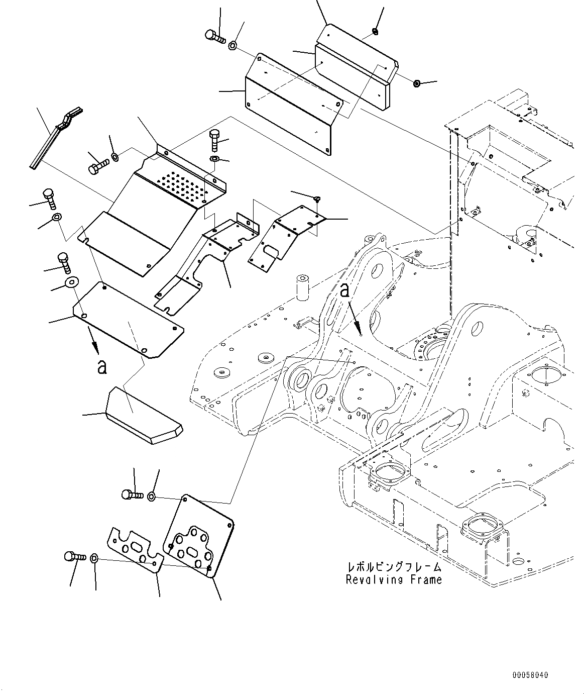
Запчасти Komatsu PC138US-8 КАБИНА ПЕРЕГОРОДКА. (№-) КАБИНА ПЕРЕГОРОДКА., С ДОПОЛН. ГИДРОЛИНИЕЙ, С СИГНАЛИЗ. ПЕРЕГРУЗКИ

Схема запчастей Komatsu PC138US-8 - КАБИНА ПЕРЕГОРОДКА. (№-) КАБИНА ПЕРЕГОРОДКА., С ДОПОЛН. ГИДРОЛИНИЕЙ, С СИГНАЛИЗ. ПЕРЕГРУЗКИ
5
6
7
8
8
10
9
12
14
13
11
2
4
3
1
20
22
23
22
23
21
13
14
19
18
15
16
17
FIT
1:1
100%

Артикул

Название

Примечание

Количество

|$0

22B-54-21742

Cover

1

Cover

2

22B-54-21671

Sheet

3

01010-81225

Bolt

4

175-54-34170

Washer

4

22B-54-21711

Cover

5

Cover

6

22B-54-21831

Sheet

7

22B-54-22590

Sheet

8

124-A62-1920

Cap

9

01010-81225

Bolt

10

01643-31232

Washer

10

22B-54-21201

Cover Assembly

11

Cover

12

22B-54-21490

Seal

13

01010-81225

Bolt

14

01643-31232

Washer

14

22B-54-21302

Cover Assembly

15

Cover

16

22B-54-22620

Sheet

17

20T-54-74510

Cap

18

01010-81225

Bolt

19

01643-31232

Washer

20

22B-54-22260

Cover

21

22B-54-22270

Cover

22

01010-81225

Bolt

23

01643-31232

Washer

Выбрано товаров: 27