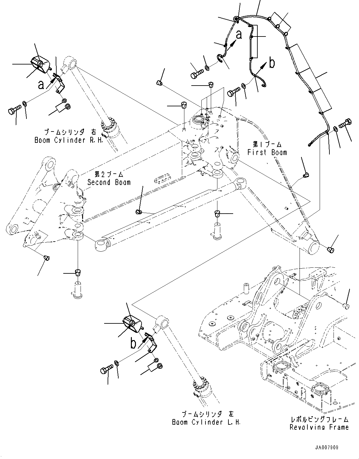
Запчасти Komatsu PC138US-8 СТРЕЛА, ЛАМПА РАБОЧ. ОСВЕЩЕНИЯ (№-) СТРЕЛА, ДЛЯ СТРАН ЕС, С -ДОПОЛН. АКТУАТОР ТРУБЫ, С ДВОЙН. OFFSET СТРЕЛА, СТУПЕНИ

Схема запчастей Komatsu PC138US-8 - СТРЕЛА, ЛАМПА РАБОЧ. ОСВЕЩЕНИЯ (№-) СТРЕЛА, ДЛЯ СТРАН ЕС, С -ДОПОЛН. АКТУАТОР ТРУБЫ, С ДВОЙН. OFFSET СТРЕЛА, СТУПЕНИ
12
13
13
12
12
13
2
1
1
4
5
6
13
6
5
1
2
4
1
12
3
3
13
9
10
8
8
8
8
8
8
8
12
7
11
8
6
5
6
5
FIT
1:1
100%

Артикул

Название

Примечание

Количество

1

22B-06-11690

Lamp Assembly, Working

2

421-06-23330

Bulb, 70watt

3

22B-06-11990

Lens

4

21Y-70-31750

Bracket

5

01010-81030

Bolt

6

01643-31032

Washer

7

22B-70-29680

Wiring Harness

8

04434-51010

Clip

9

01010-81016

Bolt

10

01643-31032

Washer

11

08034-40521

Band

12

07049-01012

Plug

13

07049-01215

Plug

Выбрано товаров: 13