Запчасти Komatsu PC138US-8 УПРАВЛЯЮЩ. КЛАПАН, ВНУТР. ЧАСТИ (8/) (№-) УПРАВЛЯЮЩ. КЛАПАН, ДЛЯ KUK, С -ДОПОЛН. АКТУАТОР ТРУБЫ

Схема запчастей Komatsu PC138US-8 - УПРАВЛЯЮЩ. КЛАПАН, ВНУТР. ЧАСТИ (8/) (№-) УПРАВЛЯЮЩ. КЛАПАН, ДЛЯ KUK, С -ДОПОЛН. АКТУАТОР ТРУБЫ
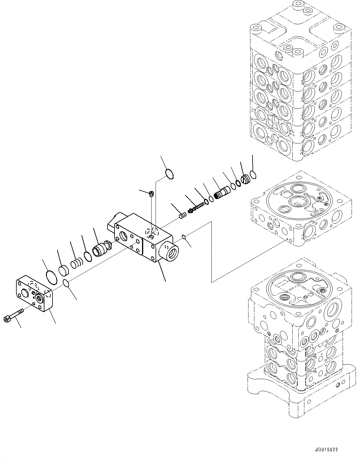
1
5
6
7
8
9
10
11
12
13
14
15
16
17
18
19
20
21
2
3
4
FIT
1:1
100%

Артикул

Название

Примечание

Количество

|$0

723-59-15102

Valve, Control

|$1

723-59-15101

Valve, Control

|$2

723-59-15100

Valve, Control

|$3

723-50-53200

Valve Assembly

1

Block

2

Valve

3

Seal

4

723-50-53330

Spring

5

Sleeve

6

07000-12010

O-ring

7

07001-02010

Ring, Back-up

8

07000-12012

O-ring

9

07001-02012

Ring, Back-up

10

Seat

11

07000-12016

O-ring

12

Piston

13

723-50-53350

Spring

14

723-50-53270

Plate

15

723-50-53260

Retainer

16

07000-12015

O-ring

17

07000-13030

O-ring

18

01252-60630

Bolt, Hexagon Socket Head

19

Plug

20

700-13-31161

O-ring

21

07000-11007

O-ring

Выбрано товаров: 0