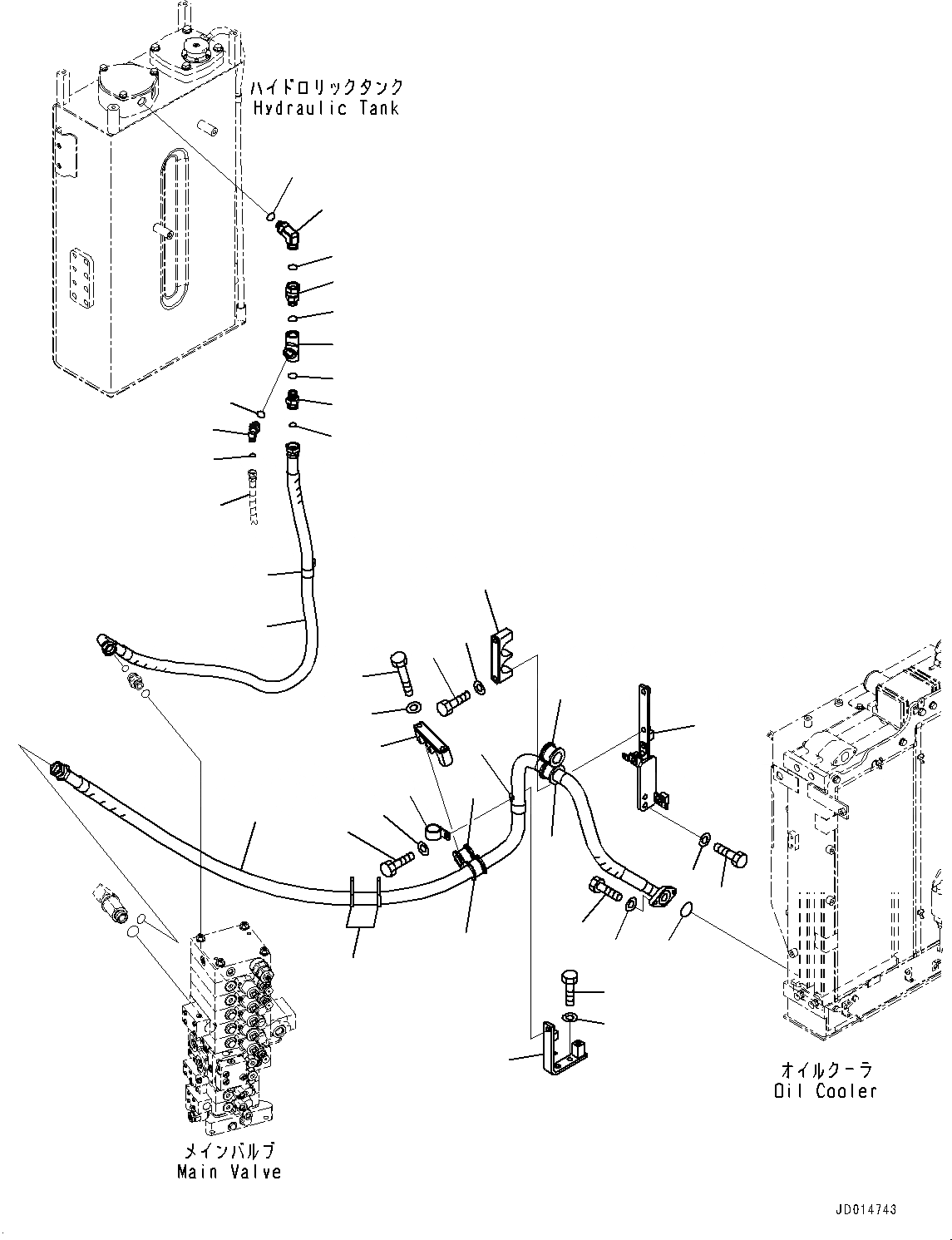
Запчасти Komatsu PC138US-8 ЛИНИИ МАСЛООХЛАДИТЕЛЯ (№-) ЛИНИИ МАСЛООХЛАДИТЕЛЯ, С ПРЕДОТВРАЩЕНИЕМ СМЕЩЕНИЯ КЛАПАН

Схема запчастей Komatsu PC138US-8 - ЛИНИИ МАСЛООХЛАДИТЕЛЯ (№-) ЛИНИИ МАСЛООХЛАДИТЕЛЯ, С ПРЕДОТВРАЩЕНИЕМ СМЕЩЕНИЯ КЛАПАН
9
16
11
10
9
8
23
22
21
20
19
18
17
16
15
14
13
12
11
10
9
8
7
6
4
3
2
1
9
32
30
31
26
25
24
29
27
28
5
33
FIT
1:1
100%

Артикул

Название

Примечание

Количество

1

22B-62-23441

Hose

1

21U-62-34710

Band, Yellow

2

07000-13032

O-ring

3

07372-21035

Bolt

4

01643-51032

Washer

5

22B-62-21862

Bracket

6

01010-81230

Bolt

7

01643-31232

Washer

8

22B-62-11730

Plate

9

21T-62-76840

Cushion

10

01010-81285

Bolt

11

01643-31232

Washer

12

08034-20834

Band

13

22B-62-23871

Bracket

14

01010-81230

Bolt

15

01643-31232

Washer

16

581-04-22290

Clip

17

01010-81230

Bolt

18

01643-31232

Washer

19

22B-62-23451

Hose

20

02782-1062A

Elbow

21

02896-11018

O-ring

22

07002-12434

O-ring

23

142-06-13540

Clip

24

22B-62-15850

Connector

25

07002-12434

O-ring

26

22B-62-15870

Tee

27

02782-10315

Elbow

28

07002-12034

O-ring

29

02896-11009

O-ring

30

02781-00628

Union

31

07002-12434

O-ring

32

02896-11018

O-ring

33

22B-62-23761

Hose

Выбрано товаров: 0