Запчасти Komatsu PC138US-8 РУКОЯТЬ И КОВШ ТРУБЫ, КЛАПАН КОМПОНЕНТЫ (/) (№-) РУКОЯТЬ И КОВШ ТРУБЫ, С РУКОЯТЬ HOLDING КЛАПАН, ДЛЯ MACHINE С СТРЕЛА HOLDING КЛАПАН, С ДВОЙН. OFFSET СТРЕЛА, СТУПЕНИ

Схема запчастей Komatsu PC138US-8 - РУКОЯТЬ И КОВШ ТРУБЫ, КЛАПАН КОМПОНЕНТЫ (/) (№-) РУКОЯТЬ И КОВШ ТРУБЫ, С РУКОЯТЬ HOLDING КЛАПАН, ДЛЯ MACHINE С СТРЕЛА HOLDING КЛАПАН, С ДВОЙН. OFFSET СТРЕЛА, СТУПЕНИ
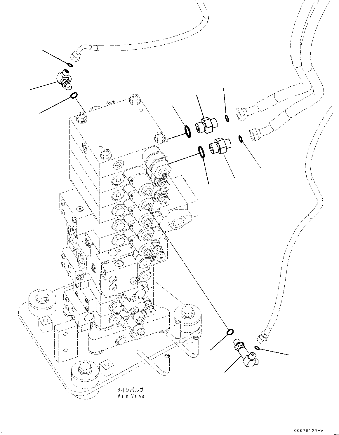
6
5
4
9
8
7
1
1
2
2
3
3
FIT
1:1
100%

Артикул

Название

Примечание

Количество

1

02781-0042A

Joint

2

02896-11012

O-ring

3

07002-12434

O-ring

4

207-62-72141

Elbow

5

02896-11008

O-ring

6

07002-11423

O-ring

7

21W-62-45180

Tee

8

02896-11008

O-ring

9

07002-11423

O-ring

Выбрано товаров: 9