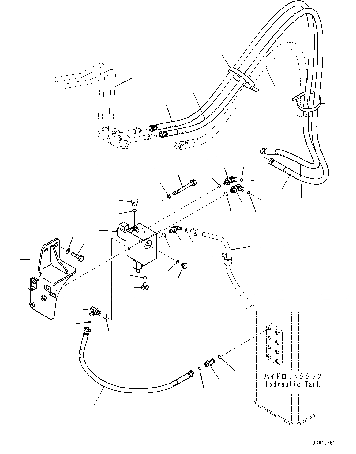
Запчасти Komatsu PC138US-8 БЫСТРОСЪЕМН. МЕХ-М ТРУБЫ, ТРУБЫ (№-78) БЫСТРОСЪЕМН. МЕХ-М ТРУБЫ, MM, С -ДОПОЛН. АКТУАТОР ТРУБЫ, ДЛЯ СТРАН ЕС, ЕС ARRANGEMENT ИЛИ С ЭКСТРЕНН. СТОП ПЕРЕКЛЮЧАТЕЛЬ

Схема запчастей Komatsu PC138US-8 - БЫСТРОСЪЕМН. МЕХ-М ТРУБЫ, ТРУБЫ (№-78) БЫСТРОСЪЕМН. МЕХ-М ТРУБЫ, MM, С -ДОПОЛН. АКТУАТОР ТРУБЫ, ДЛЯ СТРАН ЕС, ЕС ARRANGEMENT ИЛИ С ЭКСТРЕНН. СТОП ПЕРЕКЛЮЧАТЕЛЬ
11
12
12
13
13
15
11
12
14
15
16
17
18
19
20
10
9
7
6
19
10
18
11
14
5
4
3
2
1
8
9
21
21
13
24
23
22
FIT
1:1
100%

Артикул

Название

Примечание

Количество

1

20J-62-13141

Valve

2

01010-81085

Bolt

3

01643-31032

Washer

4

22B-62-28182

Bracket

5

01010-81225

Bolt

6

01643-31232

Washer

7

02781-0021D

Union

8

20Y-62-K5940

Elbow

8

02783-10210

Elbow

9

07002-11423

O-ring

10

02896-11008

O-ring

11

02782-10210

Elbow

12

07002-11423

O-ring

13

02896-11008

O-ring

14

07040-11409

Plug

15

07002-11423

O-ring

16

07040-11007

Plug

17

07002-11023

O-ring

18

22B-62-28112

Hose

18

21U-62-34760

Band, Red

19

22B-62-28122

Hose

19

21U-62-34750

Band, Blue

20

22B-62-28170

Hose

21

08034-20834

Band

22

22B-62-28231

Tube

|$25

22B-62-28231

Tube

|$26

22B-62-28231

Tube

|$27

22B-62-28231

Tube

23

22B-62-23532

Hose

|$29

22B-62-23532

Hose

|$30

22B-62-23532

Hose

|$31

22B-62-23532

Hose

|$32

22B-62-23532

Hose

|$33

22B-62-23532

Hose

|$34

22B-62-23532

Hose

|$35

22B-62-23532

Hose

|$36

22B-62-23532

Hose

|$37

22B-62-23532

Hose

24

22B-62-28131

Hose

|$39

22B-62-28131

Hose

Выбрано товаров: 40