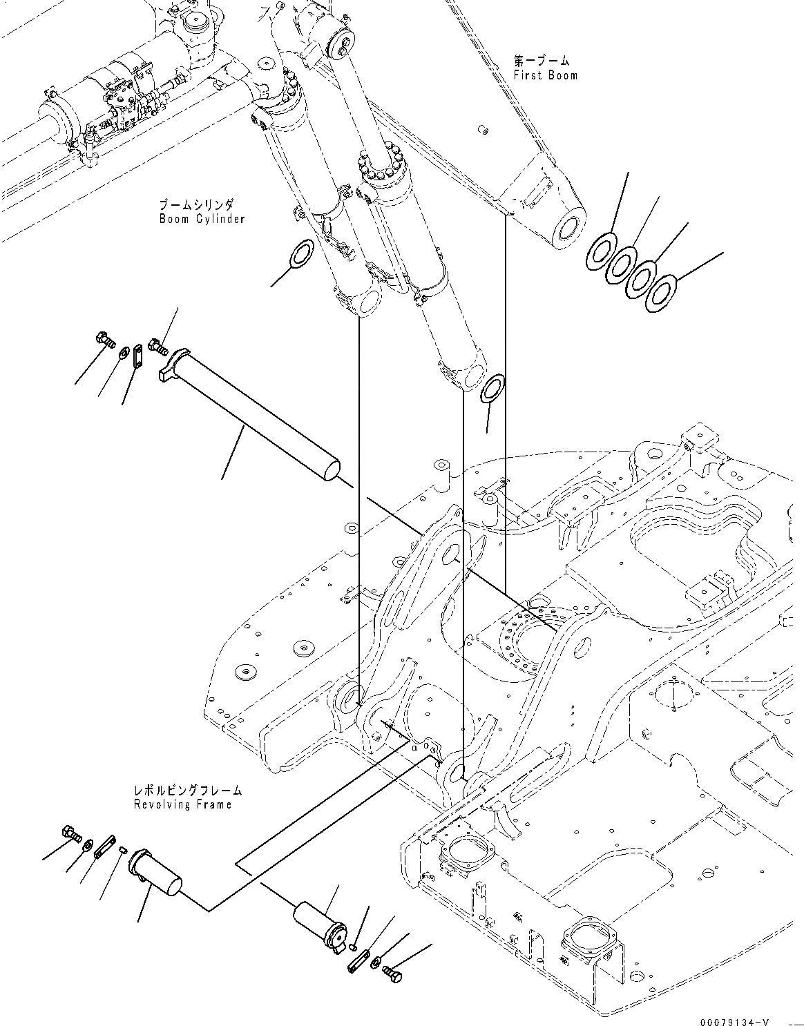
Запчасти Komatsu PC138US-8 ПАЛЕЦ СТРЕЛЫ(№-) СТРЕЛА НИЖН. ПАЛЕЦ, С ДВОЙН. OFFSET СТРЕЛА, СТУПЕНИ

Схема запчастей Komatsu PC138US-8 - ПАЛЕЦ СТРЕЛЫ(№-) СТРЕЛА НИЖН. ПАЛЕЦ, С ДВОЙН. OFFSET СТРЕЛА, СТУПЕНИ
1
3
4
2
5
7
7
8
8
9
9
12
12
11
11
10
10
6
6
6
6
FIT
1:1
100%

Артикул

Название

Примечание

Количество

1

21Y-70-31211

Pin

2

01010-82450

Bolt

3

205-70-66580

Plate

4

01010-81230

Bolt

5

01643-31232

Washer

6

21Y-70-21240

Spacer, T=0.5mm

6

21Y-70-21260

Spacer, T=1.0mm

7

203-46-56260

Pin

8

205-70-66580

Plate

9

01010-81230

Bolt

10

01643-31232

Washer

11

21Y-70-14830

Spacer, T=1.0mm

11

21Y-70-14840

Spacer, T=2.0mm

12

07049-01620

Plug

Выбрано товаров: 0