Запчасти Komatsu PC138US-8 ОСНОВН. КОНСТРУКЦИЯ, РАДИО (№-) ОСНОВН. КОНСТРУКЦИЯ, С -ДОПОЛН. АКТУАТОР ТРУБЫ, С ОТВАЛ, ДЛЯ СТРАН ЕС

Схема запчастей Komatsu PC138US-8 - ОСНОВН. КОНСТРУКЦИЯ, РАДИО (№-) ОСНОВН. КОНСТРУКЦИЯ, С -ДОПОЛН. АКТУАТОР ТРУБЫ, С ОТВАЛ, ДЛЯ СТРАН ЕС
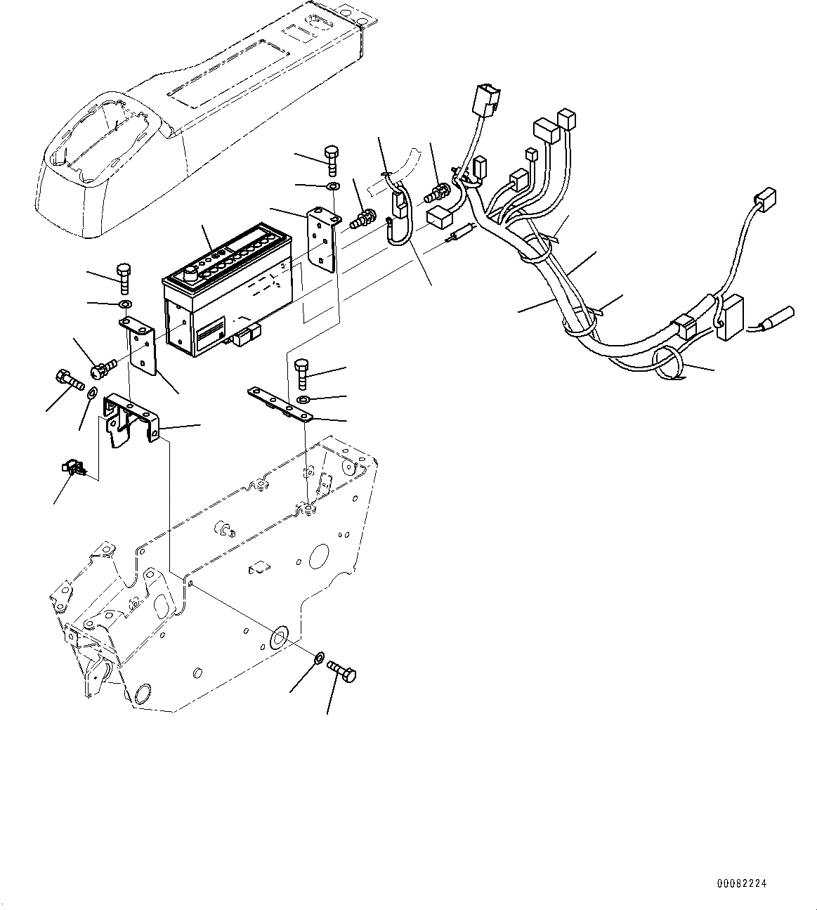
1
2
3
4
5
6
7
8
10
11
12
13
14
15
16
17
7
8
5
2
3
3
4
15
15
9
FIT
1:1
100%

Артикул

Название

Примечание

Количество

1

20Y-06-42430

Radio

1

20Y-06-41238

Radio

2

20Y-43-41482

Plate

3

01023-60510

Screw

4

01010-80616

Bolt

5

01643-30623

Washer

6

22P-43-13170

Bracket

7

01010-80616

Bolt

8

01643-30623

Washer

9

22U-43-23260

Clip

10

22B-43-23181

Bracket

11

01010-80616

Bolt

12

01643-30623

Washer

13

22B-06-28332

Wiring Harness

13

22B-06-28331

Wiring Harness

14

08034-20414

Band

15

08034-20519

Band

16

20Y-06-41830

Wiring Harness

17

08912-51600

Cord

Выбрано товаров: 19