Запчасти Komatsu PC138US-8 ОСНОВН. КОНСТРУКЦИЯ, ТРУБКИ КОНДИЦИОНЕРА (№-) ОСНОВН. КОНСТРУКЦИЯ, ДЛЯ AMP. ГЕНЕРАТОР, С С ВОЗД. ПОДВЕСКОЙ СИДЕНЬЕ ОПЕРАТОРА, С -ДОПОЛН. АКТУАТОР ТРУБЫ, С СИГНАЛИЗ. ПЕРЕГРУЗКИ

Схема запчастей Komatsu PC138US-8 - ОСНОВН. КОНСТРУКЦИЯ, ТРУБКИ КОНДИЦИОНЕРА (№-) ОСНОВН. КОНСТРУКЦИЯ, ДЛЯ AMP. ГЕНЕРАТОР, С С ВОЗД. ПОДВЕСКОЙ СИДЕНЬЕ ОПЕРАТОРА, С -ДОПОЛН. АКТУАТОР ТРУБЫ, С СИГНАЛИЗ. ПЕРЕГРУЗКИ
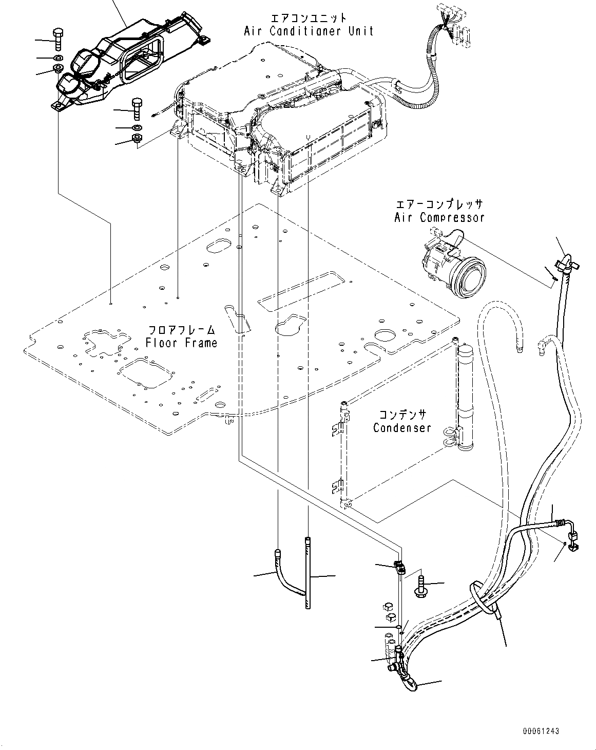
7
1
2
3
4
11
8
9
10
11
12
13
14
8
6
5
12
9
10
15
FIT
1:1
100%

Артикул

Название

Примечание

Количество

1

01010-80825

Bolt

2

01643-30823

Washer

3

208-979-7540

Collar

4

22B-979-2781

Duct

5

01010-80825

Bolt

6

01643-30823

Washer

7

208-979-7540

Collar

8

208-979-7640

Hose

9

22B-979-2811

Hose

9

ND443440-0030

Switch, Pressure

10

20Y-979-3150

O-ring

11

22B-979-2823

Hose

12

20Y-979-3130

O-ring

13

208-979-7650

Connector

14

01435-40620

Bolt

15

08034-20536

Band

Выбрано товаров: 16