Запчасти Komatsu PC138US-8 СИСТЕМА ОХЛАЖДЕНИЯ, ДРЕНАЖН. ТРУБЫ (№-) СИСТЕМА ОХЛАЖДЕНИЯ

Схема запчастей Komatsu PC138US-8 - СИСТЕМА ОХЛАЖДЕНИЯ, ДРЕНАЖН. ТРУБЫ (№-) СИСТЕМА ОХЛАЖДЕНИЯ
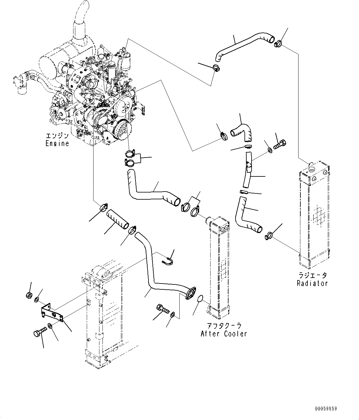
1
2
4
5
6
7
8
9
10
11
12
13
14
15
16
17
18
19
20
21
22
23
24
25
3
12
10
5
FIT
1:1
100%

Артикул

Название

Примечание

Количество

1

22B-03-21211

Hose

2

07289-00055

Clamp

3

07289-00045

Clamp

4

22B-03-21221

Hose

5

07289-00055

Clamp

6

22B-03-13360

Tube

7

01010-81025

Bolt

8

01643-31032

Washer

9

22B-03-13350

Hose

10

07289-00055

Clamp

11

22B-01-21141

Hose

12

17A-03-41540

Clamp

13

22B-01-21121

Tube

14

07000-E2065

O-ring

15

01010-81035

Bolt

15

01010-81030

Bolt

16

01643-31032

Washer

17

22B-01-21151

Bracket

18

01010-81020

Bolt

19

01643-31032

Washer

20

07283-35150

Clip

21

01597-01009

Nut

22

01643-31032

Washer

23

22B-01-21131

Hose

24

07299-00070

Clamp

25

07299-00055

Clamp

Выбрано товаров: 0