Качественные детали и логистика
Оригинальные и аналоговые запчасти с доставкой по России, Казахстану и Беларуси
©2022 PartSell ООО "Система" ИНН 2463123282 ОГРН 1212400004838
Центральный офис: г. Красноярск, Академика Киренского, д.87, пом.4
Телефон: 8 (800) 777-65-74 Email: zakaz@partsell.ru
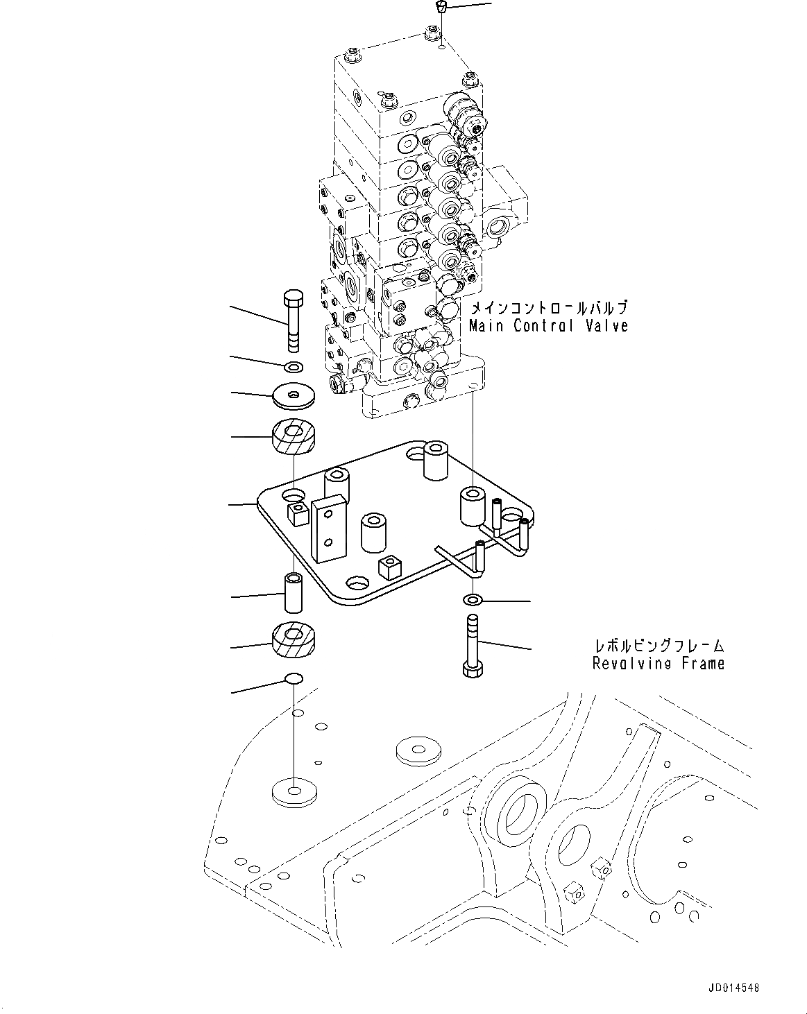
УПРАВЛЯЮЩ. КЛАПАН, УПРАВЛЯЮЩ. КЛАПАН КОМПОНЕНТЫ (№-)
№
Артикул
Название
Примечание
Количество
1
22B-62-21121
Bracket
2
01010-81690
Bolt
3
01643-31645
Washer
4
07049-01012
Plug
5
203-62-61572
Plate
6
7
8
203-54-21110
Cushion
9
203-62-61581
Spacer
10
07000-13025
O-ring
Выбрано товаров: 0