Качественные детали и логистика
Оригинальные и аналоговые запчасти с доставкой по России, Казахстану и Беларуси
©2022 PartSell ООО "Система" ИНН 2463123282 ОГРН 1212400004838
Центральный офис: г. Красноярск, Академика Киренского, д.87, пом.4
Телефон: 8 (800) 777-65-74 Email: zakaz@partsell.ru
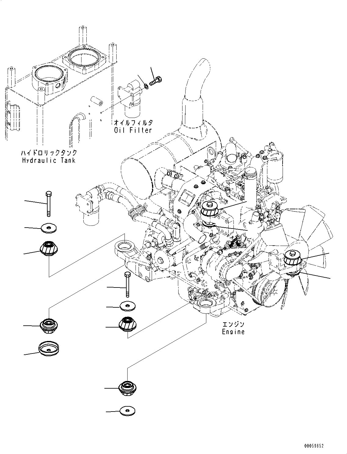
КРЕПЛЕНИЕ ДВИГАТЕЛЯ, ПОДУШКИ (№-)
№
Артикул
Название
Примечание
Количество
1
22B-01-21530
Cushion
2
203-01-61160
Stopper
3
203-01-67540
Washer
4
113-01-21120
5
01011-81630
Bolt
6
01010-80825
7
01643-30823
Выбрано товаров: 0