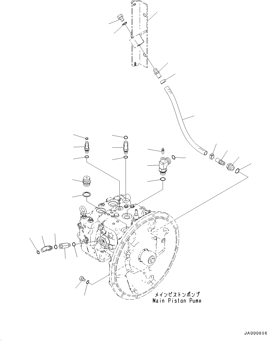
Запчасти Komatsu PC138US-8 ПОРШЕНЬ НАСОС, ПОРШЕНЬ НАСОС КОМПОНЕНТЫ (№-79) ПОРШЕНЬ НАСОС

Схема запчастей Komatsu PC138US-8 - ПОРШЕНЬ НАСОС, ПОРШЕНЬ НАСОС КОМПОНЕНТЫ (№-79) ПОРШЕНЬ НАСОС
17
1
3
2
24
23
15
12
14
13
22
21
16
18
20
19
20
18
26
25
9
11
10
7
8
5
4
6
27
FIT
1:1
100%

Артикул

Название

Примечание

Количество

1

02782-10311

Elbow

2

02896-11009

O-ring

3

07002-11423

O-ring

4

02782-10210

Elbow

5

02896-11008

O-ring

6

07002-11423

O-ring

7

201-62-65530

Adapter

8

07002-11423

O-ring

9

02782-10311

Elbow

10

07002-11423

O-ring

11

02896-11009

O-ring

12

22B-62-17110

Elbow

13

02896-11018

O-ring

14

07002-12434

O-ring

15

20B-27-11210

Bleeder

16

21T-06-17940

Plug

17

07002-12434

O-ring

18

566-07-41540

Connector

19

07286-01640

Hose

20

07285-00200

Clip, Hose

21

07040-12412

Plug

22

07002-12434

O-ring

23

07030-03034

Breather

24

07005-03016

Seal, Washer

25

07040-11209

Plug

26

07002-11223

O-ring

27

22B-46-24141

Bracket

|$27

22B-46-24141

Bracket

Выбрано товаров: 28