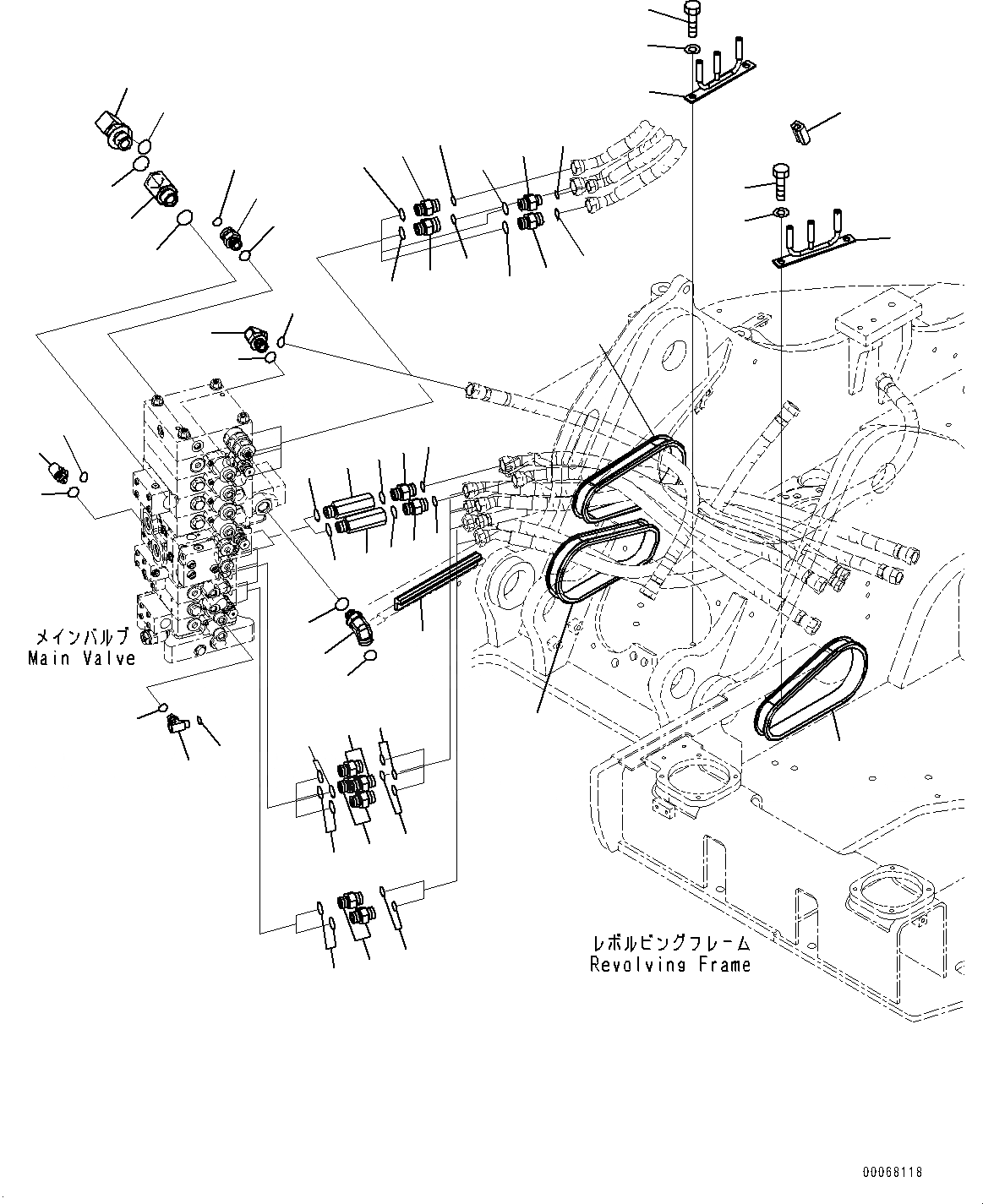
Запчасти Komatsu PC138US-8 РУКОЯТЬ И КОВШ ТРУБЫ, КЛАПАН КОМПОНЕНТЫ (/) (№-) РУКОЯТЬ И КОВШ ТРУБЫ, С ОТВАЛ

Схема запчастей Komatsu PC138US-8 - РУКОЯТЬ И КОВШ ТРУБЫ, КЛАПАН КОМПОНЕНТЫ (/) (№-) РУКОЯТЬ И КОВШ ТРУБЫ, С ОТВАЛ
29
28
27
26
25
6
24
4
10
9
8
7
6
5
1
7
15
16
14
30
31
32
33
34
35
36
37
38
21
23
22
4
6
7
4
5
2
3
33
34
35
36
33
13
12
11
7
7
45
46
44
39
40
41
42
43
18
19
20
20
19
17
FIT
1:1
100%

Артикул

Название

Примечание

Количество

1

02781-00522

Union

2

02896-11015

O-ring

3

07002-12434

O-ring

4

02781-00522

Union

5

22B-62-12150

Joint

6

02896-11015

O-ring

7

07002-12434

O-ring

8

02782-10628

Elbow

9

02896-11018

O-ring

10

07002-12434

O-ring

11

02782-10522

Elbow

12

02896-11015

O-ring

13

07002-12434

O-ring

14

02781-0042A

Joint

15

07002-12434

O-ring

16

02896-11012

O-ring

17

22B-62-21810

Tee

18

22B-62-22690

Tee

19

02896-11008

O-ring

20

07002-11423

O-ring

21

02781-00628

Union

22

02896-11018

O-ring

23

07002-12434

O-ring

24

02781-00522

Union

25

02896-11015

O-ring

26

07002-12434

O-ring

27

02781-00522

Union

28

02896-11015

O-ring

29

07002-12434

O-ring

30

02781-0042A

Joint

31

02896-11012

O-ring

32

07002-12434

O-ring

33

21Y-62-11340

Grommet

34

21Y-62-11510

Clamp

35

01010-81225

Bolt

36

01643-31232

Washer

37

22B-62-22740

Cushion

38

22B-62-22920

Grommet

39

22B-62-15950

Joint

40

07002-13334

O-ring

41

21W-62-42640

Elbow

42

207-62-64740

O-ring

43

07002-13334

O-ring

44

02781-00628

Union

45

07002-12434

O-ring

46

02896-11018

O-ring

Выбрано товаров: 46