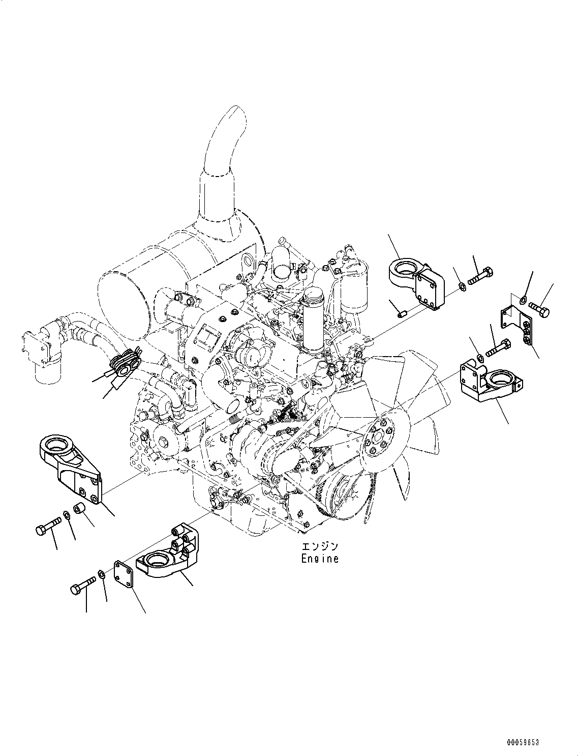
Запчасти Komatsu PC138US-8 КРЕПЛЕНИЕ ДВИГАТЕЛЯ, КОРПУС (№-) КРЕПЛЕНИЕ ДВИГАТЕЛЯ

Схема запчастей Komatsu PC138US-8 - КРЕПЛЕНИЕ ДВИГАТЕЛЯ, КОРПУС (№-) КРЕПЛЕНИЕ ДВИГАТЕЛЯ
1
2
3
4
5
6
7
8
9
10
11
12
13
14
9
8
5
1
16
15
FIT
1:1
100%

Артикул

Название

Примечание

Количество

1

22B-01-21510

Bracket

2

22B-01-21520

Plate

3

22B-01-21380

Bolt

4

22B-01-21190

Bolt

5

01643-31032

Washer

6

203-01-61110

Bracket

7

203-01-61120

Bracket

8

22B-01-11190

Bolt

9

01643-31232

Washer

10

6131-22-3750

Boss

11

04020-01228

Pin, Dowel

12

22B-01-21211

Bracket

13

01010-80820

Bolt

14

01643-30823

Washer

15

08034-20519

Band

16

07095-00526

Cushion

Выбрано товаров: 16