Запчасти Komatsu PC138US-8 ЭЛЕКТРИКА, ОСНОВН. ПРОВОДКА КРЕПЛЕНИЕ (/) (№-) ЭЛЕКТРИКА, С AMP. ГЕНЕРАТОР

Схема запчастей Komatsu PC138US-8 - ЭЛЕКТРИКА, ОСНОВН. ПРОВОДКА КРЕПЛЕНИЕ (/) (№-) ЭЛЕКТРИКА, С AMP. ГЕНЕРАТОР
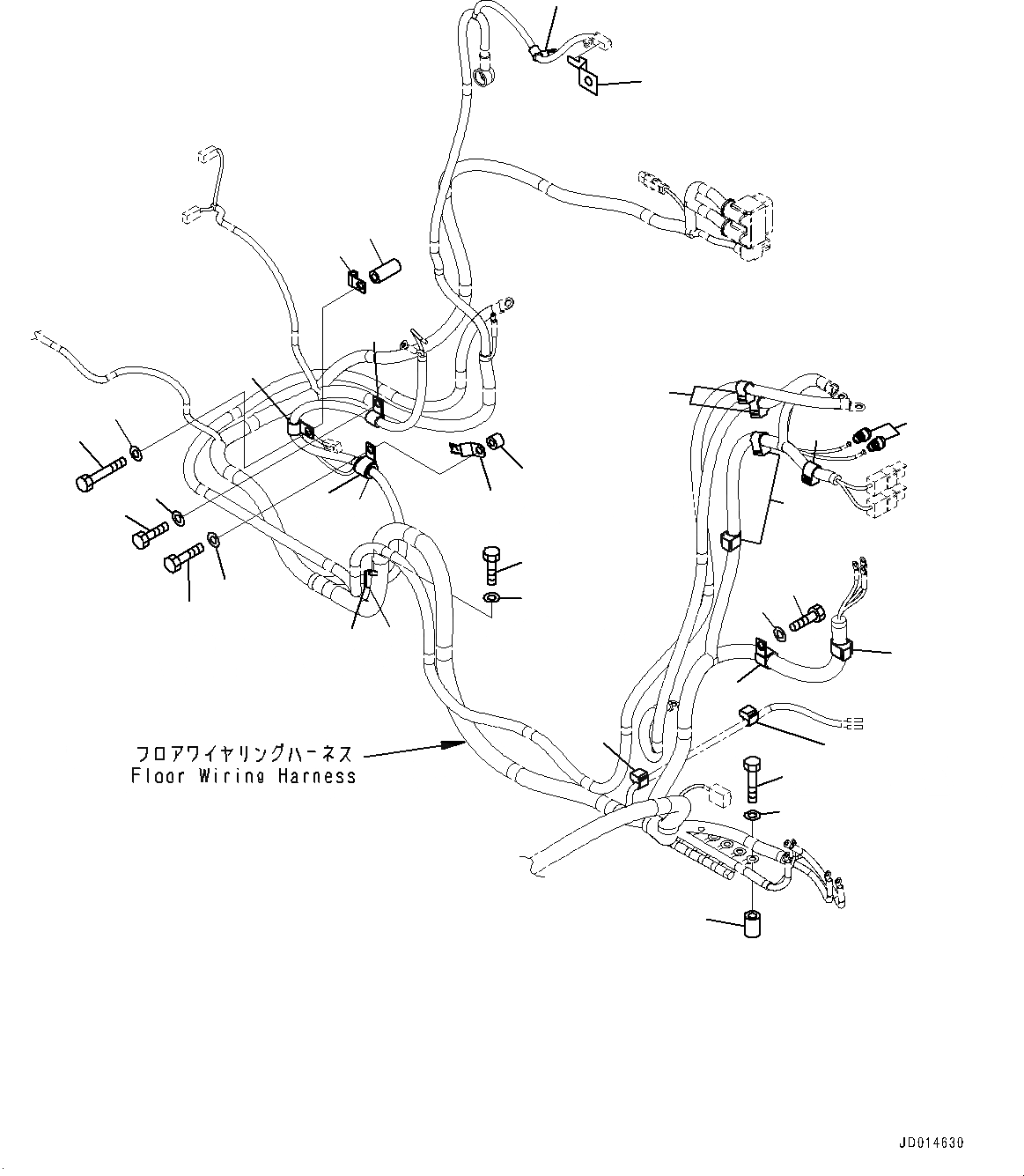
1
2
3
4
5
7
8
9
12
15
16
6
14
13
10
11
18
17
19
20
24
30
31
29
28
27
23
22
26
26
25
24
21
FIT
1:1
100%

Артикул

Название

Примечание

Количество

1

600-051-2100

Clip

2

08053-01510

Clip

3

04434-52112

Clip

4

07095-20314

Cushion

5

01010-81225

Bolt

6

01643-31232

Washer

7

04434-52112

Clip

8

07095-20314

Cushion

9

201-03-29160

Spacer

10

01010-81040

Bolt

11

01643-31032

Washer

12

600-051-2140

Clip

13

01010-81016

Bolt

14

01643-31032

Washer

15

08193-20012

Clip

16

600-051-2140

Clip

17

04434-50610

Clip

18

14X-54-26640

Collar

19

01010-81070

Bolt

20

01643-31032

Washer

21

20Y-03-11220

Collar

22

01010-81055

Bolt

23

01643-31032

Washer

24

08211-00720

Clip

25

08211-01920

Clip

26

08211-01320

Clip

27

08211-01520

Clip

28

08038-00519

Cap, Terminal

29

04434-52312

Clip

30

01010-81220

Bolt

31

01643-31232

Washer

Выбрано товаров: 0