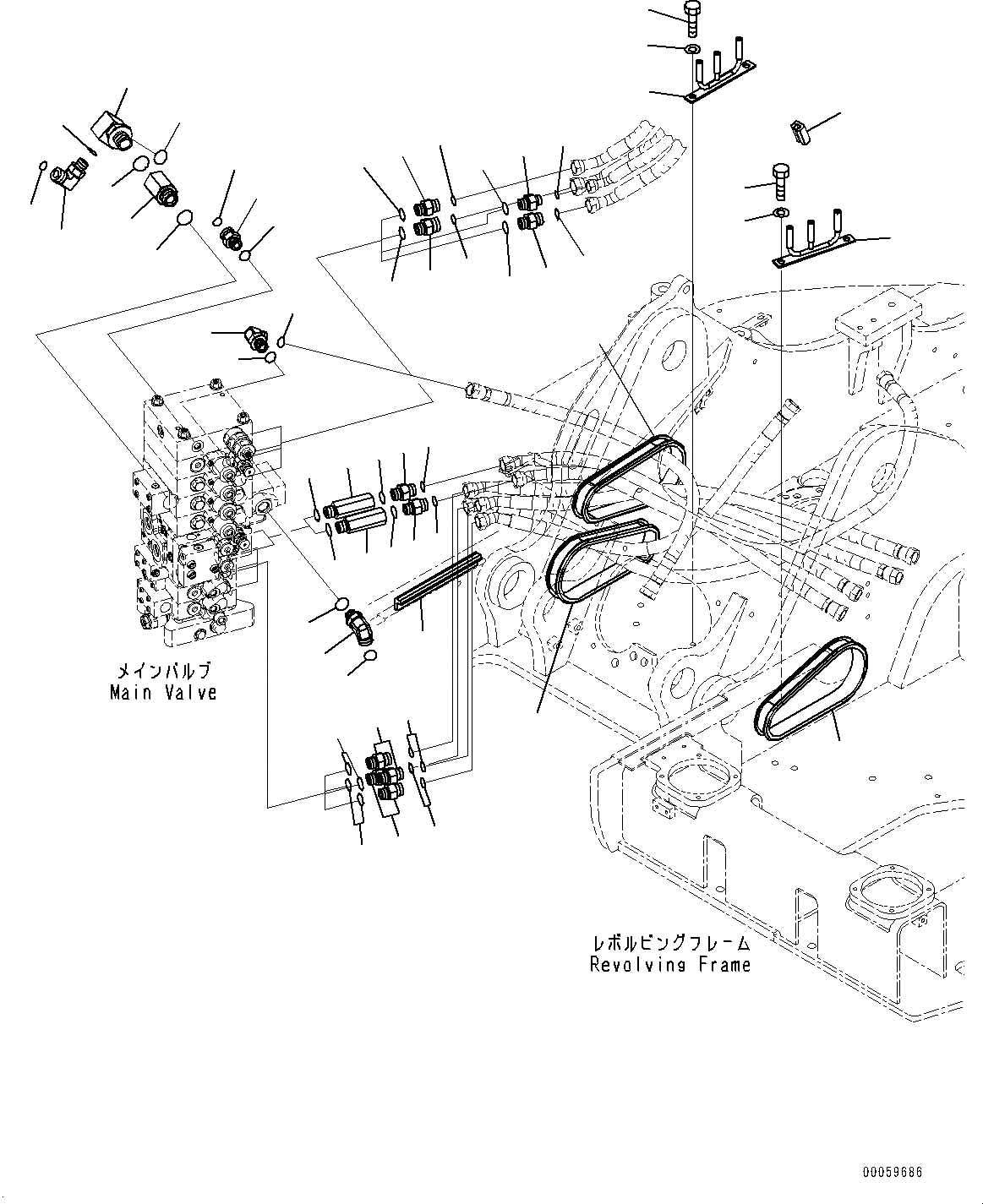
Запчасти Komatsu PC138US-8 РУКОЯТЬ И КОВШ ТРУБЫ, КЛАПАН КОМПОНЕНТЫ (/) (№-) РУКОЯТЬ И КОВШ ТРУБЫ, С -ДОПОЛН. АКТУАТОР ТРУБЫ

Схема запчастей Komatsu PC138US-8 - РУКОЯТЬ И КОВШ ТРУБЫ, КЛАПАН КОМПОНЕНТЫ (/) (№-) РУКОЯТЬ И КОВШ ТРУБЫ, С -ДОПОЛН. АКТУАТОР ТРУБЫ
4
6
7
1
5
6
7
8
9
10
17
18
19
20
21
22
23
24
25
26
27
28
29
30
31
14
16
15
4
6
7
4
5
2
3
26
27
28
29
26
13
12
11
38
37
36
33
34
32
35
34
7
7
40
39
41
FIT
1:1
100%

Артикул

Название

Примечание

Количество

1

02781-00522

Union

2

02896-11015

O-ring

3

07002-12434

O-ring

4

02781-00522

Union

5

22B-62-12150

Joint

6

02896-11015

O-ring

7

07002-12434

O-ring

8

02782-10628

Elbow

9

02896-11018

O-ring

10

07002-12434

O-ring

11

02782-10522

Elbow

12

02896-11015

O-ring

13

07002-12434

O-ring

14

02781-00628

Union

15

02896-11018

O-ring

16

07002-12434

O-ring

17

02781-00522

Union

18

02896-11015

O-ring

19

07002-12434

O-ring

20

02781-00522

Union

21

02896-11015

O-ring

22

07002-12434

O-ring

23

02781-0042A

Joint

24

02896-11012

O-ring

25

07002-12434

O-ring

26

21Y-62-11340

Grommet

27

21Y-62-11510

Clamp

28

01010-81225

Bolt

29

01643-31232

Washer

30

22B-62-22740

Cushion

31

22B-62-22920

Grommet

32

21W-973-4141

Elbow

33

22B-62-15950

Joint

34

07002-13334

O-ring

35

207-62-64740

O-ring

36

02781-00628

Union

37

02896-11018

O-ring

38

07002-12434

O-ring

39

02782-10628

Elbow

40

02896-11018

O-ring

41

07002-12434

O-ring

Выбрано товаров: 41