Запчасти Komatsu PC138US-8 ЭЛЕКТРИКА, ПЕРЕКЛЮЧАТЕЛЬ (№-) ЭЛЕКТРИКА, С AMP. ГЕНЕРАТОР, ДЛЯ АВСТРАЛИИ

Схема запчастей Komatsu PC138US-8 - ЭЛЕКТРИКА, ПЕРЕКЛЮЧАТЕЛЬ (№-) ЭЛЕКТРИКА, С AMP. ГЕНЕРАТОР, ДЛЯ АВСТРАЛИИ
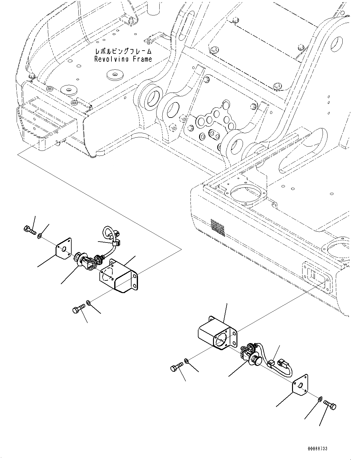
1
2
5
6
7
8
4
3
14
15
16
13
12
11
10
9
FIT
1:1
100%

Артикул

Название

Примечание

Количество

1

207-06-75430

Wiring Harness

2

21K-06-72940

Cover

3

01010-80616

Bolt

4

01643-30623

Washer

5

21K-06-72930

Cover

6

01010-81225

Bolt

7

01643-31232

Washer

8

08211-00720

Clip

9

207-06-75430

Wiring Harness

10

21K-06-72940

Cover

11

01010-80616

Bolt

12

01643-30623

Washer

13

22B-06-28910

Cover

14

01010-81220

Bolt

15

01643-31232

Washer

16

08211-00720

Clip

Выбрано товаров: 0