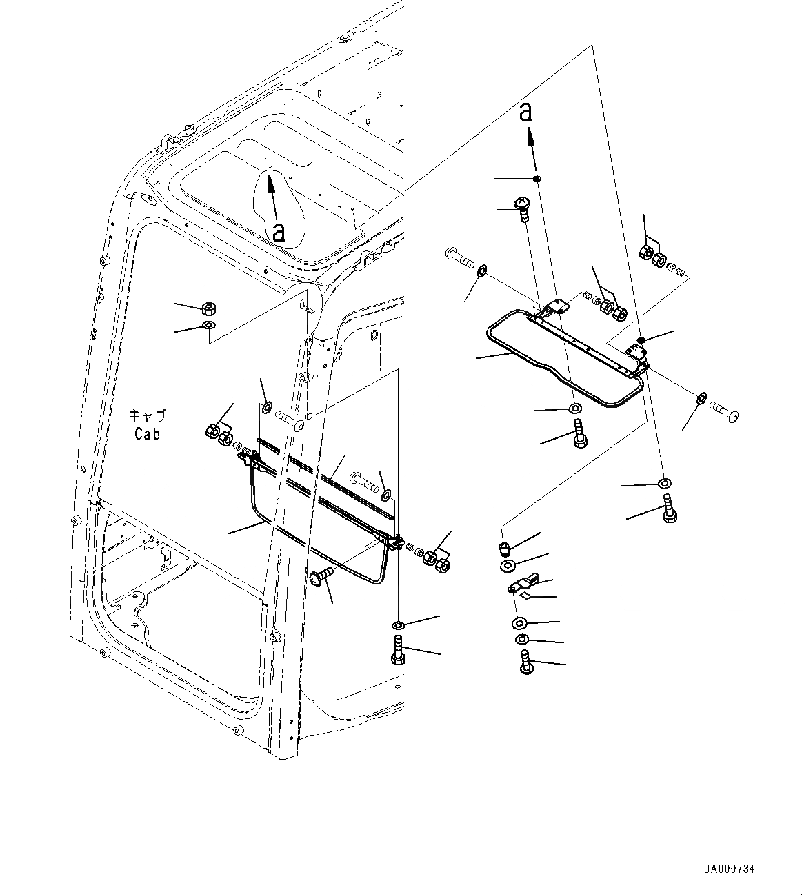
Запчасти Komatsu PC138US-8 КОЗЫРЕК (№-) КОЗЫРЕК

Схема запчастей Komatsu PC138US-8 - КОЗЫРЕК (№-) КОЗЫРЕК
21
21
23
22
10
1
6
7
9
8
2
3
5
4
4
3
14
11
13
14
12
15
16
18
20
13
19
22
23
17
FIT
1:1
100%

Артикул

Название

Примечание

Количество

1

22B-54-26731

Sunvisor,Front

2

01023-20616

Screw

3

01580-00806

Nut

4

01641-50812

Washer, Flat

5

22B-54-26740

Seal

6

01252-80616

Bolt

7

01643-70623

Washer

8

01580-10605

Nut

9

01640-20610

Washer

10

22B-54-26751

Sunvisor, Roof

11

01023-20620

Screw

12

01245-00820

Screw

13

01580-00806

Nut

14

01641-50812

Washer, Flat

15

01643-70823

Washer

16

01643-71032

Washer

17

20Y-53-17420

Plate

18

20Y-54-52960

Lever

19

20Y-54-52970

Spring

20

20Y-54-52980

Boss

21

20Y-54-52651

Spacer

22

01010-D0620

Bolt

23

01643-70623

Washer

Выбрано товаров: 0