Запчасти Komatsu PC138US-8 КОНДИЦ. ВОЗДУХА, ВОЗДУХОВОДЫ, КОМПРЕССОР И КОНДЕНСАТОР (№-) КОНДИЦ. ВОЗДУХА, С АВТОМАТИЧ. КОНДИЦ. ВОЗДУХА

Схема запчастей Komatsu PC138US-8 - КОНДИЦ. ВОЗДУХА, ВОЗДУХОВОДЫ, КОМПРЕССОР И КОНДЕНСАТОР (№-) КОНДИЦ. ВОЗДУХА, С АВТОМАТИЧ. КОНДИЦ. ВОЗДУХА
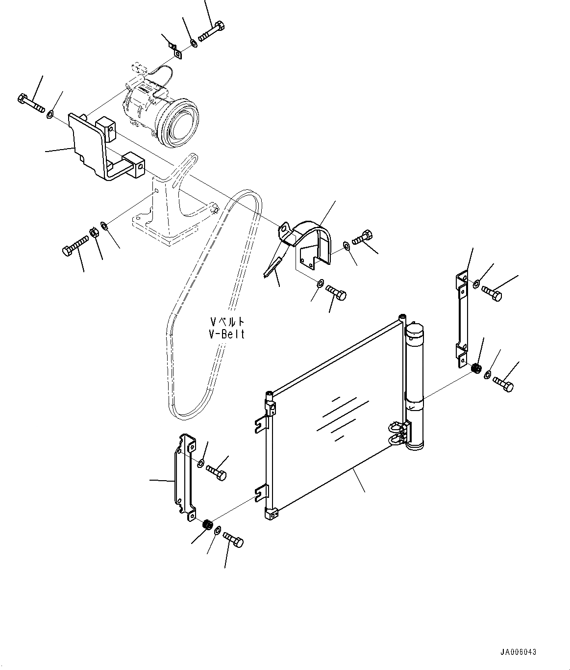
1
2
5
7
6
8
9
10
11
12
13
14
15
16
17
18
19
20
21
22
23
24
4
16
17
18
4
3
FIT
1:1
100%

Артикул

Название

Примечание

Количество

1

22B-979-2151

Bracket

2

01010-81435

Bolt

3

01010-81490

Bolt

4

01643-31445

Washer, Flat

5

01016-51490

Bolt

6

01643-31445

Washer, Flat

7

01580-11411

Nut

8

01010-80875

Bolt

9

01643-30823

Washer

10

08053-01510

Clip

11

22B-979-2121

Cover

12

22B-979-2160

Seal

13

01010-80816

Bolt

14

01643-30823

Washer

15

20Y-810-1221

Condenser Assembly

15

20Y-810-1250

Filter

16

01010-80835

Bolt

17

01643-30823

Washer

18

20Y-810-1240

Cushion

19

22B-979-2131

Bracket

20

01010-81020

Bolt

21

01643-31032

Washer

22

22B-979-2141

Bracket

23

01010-81020

Bolt

24

01643-31032

Washer

Выбрано товаров: 0