Запчасти Komatsu PC138US-8 ОСНОВН. КОНСТРУКЦИЯ, РАДИО (№-) ОСНОВН. КОНСТРУКЦИЯ, ДЛЯ AMP. ГЕНЕРАТОР, С ВОЗД. ПОДВЕСКОЙ СИДЕНЬЕ ОПЕРАТОРА, С -ДОПОЛН. АКТУАТОР ТРУБЫ, ОТВАЛ СПЕЦ-ЯIFICATION,

Схема запчастей Komatsu PC138US-8 - ОСНОВН. КОНСТРУКЦИЯ, РАДИО (№-) ОСНОВН. КОНСТРУКЦИЯ, ДЛЯ AMP. ГЕНЕРАТОР, С ВОЗД. ПОДВЕСКОЙ СИДЕНЬЕ ОПЕРАТОРА, С -ДОПОЛН. АКТУАТОР ТРУБЫ, ОТВАЛ СПЕЦ-ЯIFICATION,
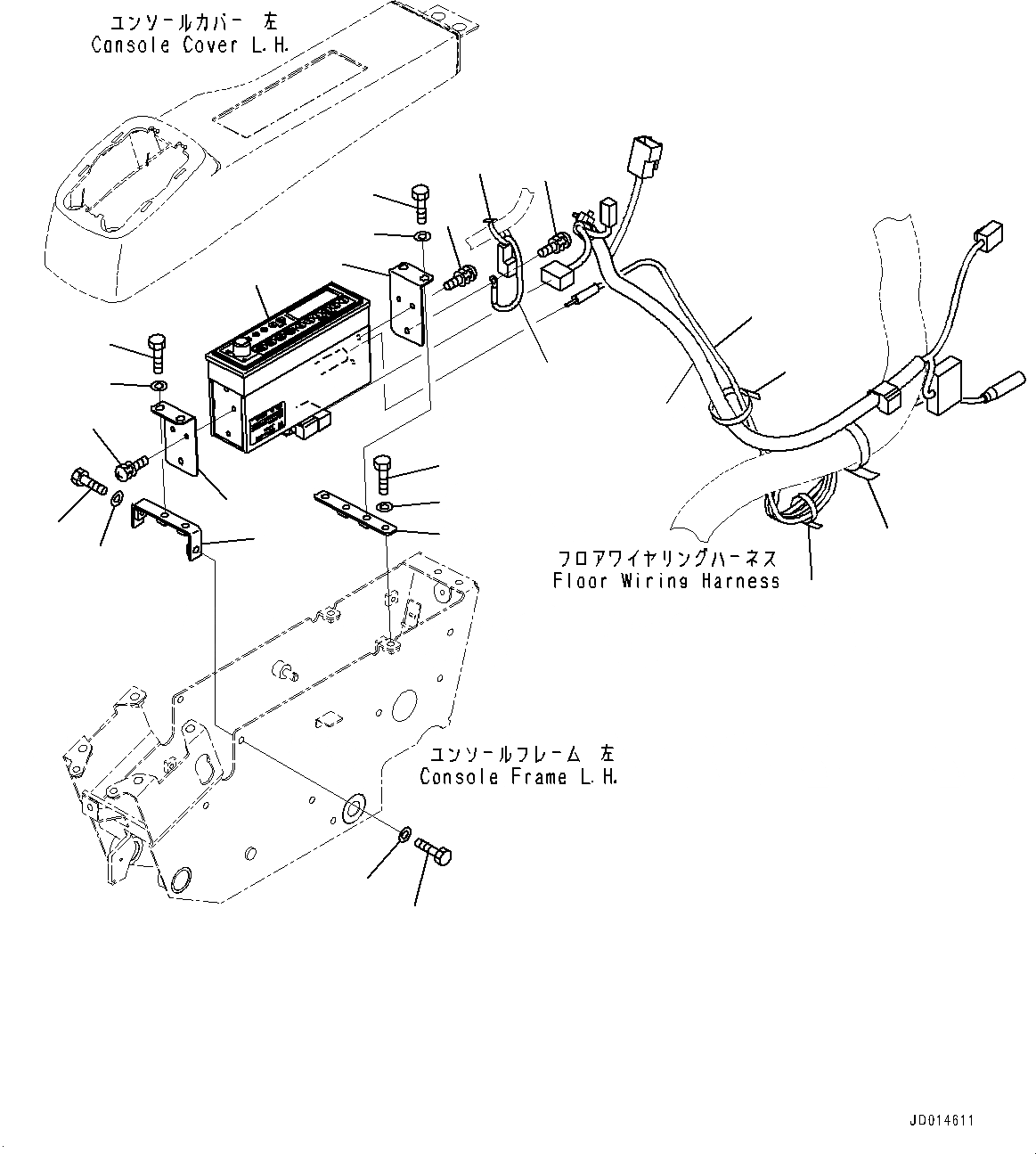
1
2
3
4
5
6
7
8
9
10
11
13
15
7
8
5
2
3
3
4
14
16
14
14
12
FIT
1:1
100%

Артикул

Название

Примечание

Количество

1

20Y-06-42430

Radio

1

20Y-06-41238

Radio

2

20Y-43-41482

Plate

3

01023-60510

Screw

4

01010-80616

Bolt

5

01643-30623

Washer

6

22B-43-23171

Bracket

7

01010-80616

Bolt

8

01643-30623

Washer

9

22B-43-23181

Bracket

10

01010-80616

Bolt

11

01643-30623

Washer

12

22B-06-21232

Wiring Harness

12

22B-06-21231

Wiring Harness

13

08034-20414

Band

14

08034-20519

Band

15

20Y-06-41830

Wiring Harness

16

08912-51600

Cord

Выбрано товаров: 18