Качественные детали и логистика
Оригинальные и аналоговые запчасти с доставкой по России, Казахстану и Беларуси
©2022 PartSell ООО "Система" ИНН 2463123282 ОГРН 1212400004838
Центральный офис: г. Красноярск, Академика Киренского, д.87, пом.4
Телефон: 8 (800) 777-65-74 Email: zakaz@partsell.ru
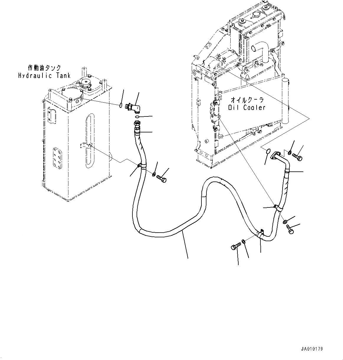
ВОЗВРАТ. ТРУБЫ (№-)
№
Артикул
Название
Примечание
Количество
1
22B-62-33461
Hose
2
21U-62-34750
Band, Blue
3
07000-13032
O-ring
4
07372-21035
Bolt
5
01643-51032
Washer
6
581-04-22290
Clip
7
01010-81225
8
01643-31232
9
421-09-31210
Elbow
10
207-62-64740
11
07002-13334
12
01010-81220
13
Выбрано товаров: 0