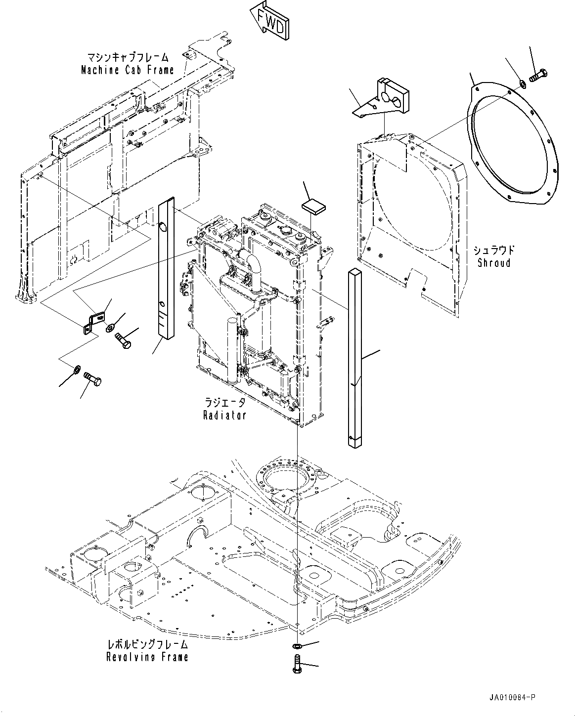
Запчасти Komatsu PC138USLC-10 СИСТЕМА ОХЛАЖДЕНИЯ, КРЕПЛЕНИЕ РАДИАТОРА (№-) СИСТЕМА ОХЛАЖДЕНИЯ

Схема запчастей Komatsu PC138USLC-10 - СИСТЕМА ОХЛАЖДЕНИЯ, КРЕПЛЕНИЕ РАДИАТОРА (№-) СИСТЕМА ОХЛАЖДЕНИЯ
14
13
2
3
4
5
6
7
12
10
9
11
1
8
FIT
1:1
100%

Артикул

Название

Примечание

Количество

1

22B-03-31250

Plate

2

01010-81230

Bolt

3

175-54-34170

Washer

4

01010-81230

Bolt

5

01643-31232

Washer

6

01010-81245

Bolt

7

175-54-34170

Washer

8

22B-03-31511

Sheet

9

22B-03-31520

Sheet

10

22B-03-31530

Sheet

11

22B-03-31631

Sheet

12

22B-03-31921

Cover

13

203-54-56970

Washer

14

01010-81020

Bolt

Выбрано товаров: 14