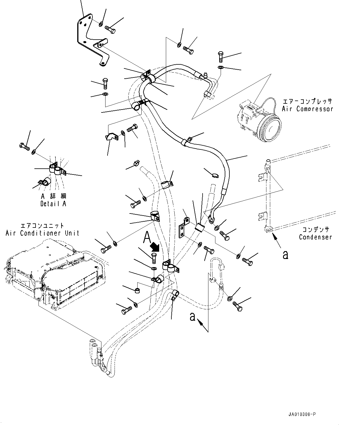
Запчасти Komatsu PC138USLC-10 КОНДИЦ. ВОЗДУХА, ТРУБЫ (№-) КОНДИЦ. ВОЗДУХА

Схема запчастей Komatsu PC138USLC-10 - КОНДИЦ. ВОЗДУХА, ТРУБЫ (№-) КОНДИЦ. ВОЗДУХА
15
16
17
18
15
16
2
3
4
5
26
27
33
34
24
25
30
31
15
16
1
2
3
6
15
16
7
8
9
10
15
16
11
12
12
13
13
14
32
19
19
20
21
20
21
22
23
12
28
29
23
23
FIT
1:1
100%

Артикул

Название

Примечание

Количество

1

22B-979-3851

Hose

2

01010-80630

Bolt

3

01643-30623

Washer

4

01010-80625

Bolt

5

01643-30623

Washer

6

22B-979-3181

Bracket

7

04434-53412

Clip

8

07095-20627

Cushion

9

04434-53212

Clip

10

07095-20523

Cushion

11

22B-979-3160

Bracket

12

04434-52712

Clip

13

04434-52312

Clip

14

04434-51912

Clip

15

01010-81025

Bolt

16

01643-31032

Washer

17

01010-81020

Bolt

18

01643-31032

Washer

19

11Y-09-11160

Clip

20

04434-53412

Clip

21

07095-20627

Cushion

22

419-54-11270

Spacer

23

04434-52712

Clip

24

01010-81240

Bolt

25

01643-31232

Washer

26

01010-81225

Bolt

27

01643-31232

Washer

28

01010-81020

Bolt

29

01643-31032

Washer

30

01010-81025

Bolt

31

01643-31032

Washer

32

22B-979-3170

Bracket

33

01010-81225

Bolt

34

01643-31232

Washer

Выбрано товаров: 34