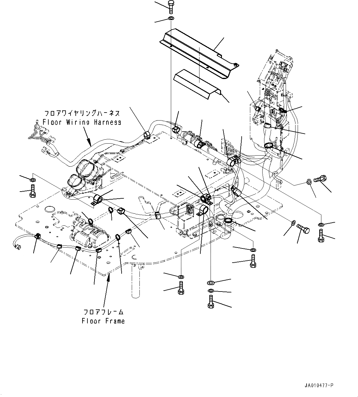
Запчасти Komatsu PC138USLC-10 ОСНОВН. КОНСТРУКЦИЯ, ПРОВОДКА КРЕПЛЕНИЕ (№-) ОСНОВН. КОНСТРУКЦИЯ, С ОТВАЛ, -ДОПОЛН. АКТУАТОР ТРУБЫ, АККУМУЛЯТОР

Схема запчастей Komatsu PC138USLC-10 - ОСНОВН. КОНСТРУКЦИЯ, ПРОВОДКА КРЕПЛЕНИЕ (№-) ОСНОВН. КОНСТРУКЦИЯ, С ОТВАЛ, -ДОПОЛН. АКТУАТОР ТРУБЫ, АККУМУЛЯТОР
7
17
22
9
23
28
11
2
1
3
4
10
10
11
29
30
19
20
11
21
19
20
8
14
18
19
20
12
5
6
15
16
26
27
10
8
13
10
13
13
24
25
8
8
8
8
FIT
1:1
100%

Артикул

Название

Примечание

Количество

|$0

22B-06-31361

Bracket

1

Bracket

2

22B-06-28140

Sheet

3

01010-80816

Bolt

4

01643-30823

Washer

5

01010-81020

Bolt

6

01643-31032

Washer

7

01643-31032

Washer

8

08211-00720

Clip

9

08211-01520

Clip

10

08211-01920

Clip

11

04434-53411

Clip

12

04434-53411

Clip

13

08034-20414

Band

14

04434-53411

Clip

15

01010-81020

Bolt

16

01643-31032

Washer

17

08034-40521

Band

18

07095-20627

Cushion

19

01010-81020

Bolt

20

01643-31032

Washer

21

08034-20536

Band

22

08211-01020

Clip

23

08034-20519

Band

24

04434-53211

Clip

25

07095-20523

Cushion

26

01010-81020

Bolt

27

01643-31032

Washer

28

04434-51008

Clip

29

01010-D0812

Bolt

30

01643-70823

Washer

Выбрано товаров: 31