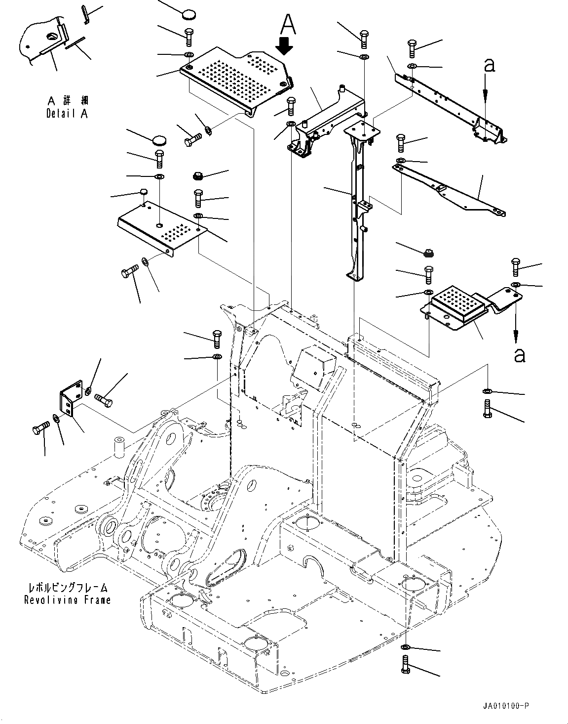
Запчасти Komatsu PC138USLC-10 КАБИНА РАМА, РАМА И КРЫШКА(№-) КАБИНА РАМА

Схема запчастей Komatsu PC138USLC-10 - КАБИНА РАМА, РАМА И КРЫШКА(№-) КАБИНА РАМА
5
9
8
31
11
12
10
11
12
8
9
11
12
32
35
34
37
36
1
2
29
30
28
38
39
13
17
18
16
20
21
25
26
22
23
24
15
14
3
4
19
6
7
5
33
33
31
27
FIT
1:1
100%

Артикул

Название

Примечание

Количество

1

01010-81230

Bolt

2

01643-31232

Washer

3

01010-81235

Bolt

4

01643-31232

Washer

4

22B-54-34630

Cover Assembly

5

Step

6

22B-54-34640

Seal

7

22B-54-34650

Seal

8

01010-81225

Bolt

9

01643-31232

Washer

10

22B-54-34370

Step

11

01010-81225

Bolt

12

01643-31232

Washer

13

22B-54-31321

Frame

14

01010-81260

Bolt

15

01643-31232

Washer

16

22B-54-31331

Frame

17

01010-81225

Bolt

18

01643-31232

Washer

19

22B-54-31351

Frame

20

01010-81225

Bolt

21

01643-31232

Washer

22

22B-54-31342

Cover

23

01010-81235

Bolt

24

175-54-34170

Washer

25

01010-81225

Bolt

26

01643-31232

Washer

27

09415-01008

Cap

28

22B-54-31131

Frame

29

01010-81230

Bolt

30

01643-31232

Washer

31

11Y-54-13630

Cap

32

22B-54-34422

Plate

33

22B-54-34770

Cap

34

01010-81230

Bolt

35

175-54-34170

Washer

36

01010-81235

Bolt

37

175-54-34170

Washer

38

01010-81225

Bolt

39

01643-31232

Washer

Выбрано товаров: 40