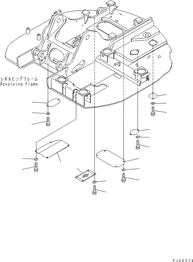
Запчасти Komatsu PC138USLC-2 НИЖН. КРЫШКА (YELНИЗ.) ЧАСТИ КОРПУСА

Схема запчастей Komatsu PC138USLC-2 - НИЖН. КРЫШКА (YELНИЗ.) ЧАСТИ КОРПУСА
1
2
3
4
5
6
7
8
9
10
10
11
11
12
12
13
14
15
FIT
1:1
100%

Артикул

Название

Примечание

Количество

1

22B-54-11932NK

COVER (YELLOW)

2

01010-81225

BOLT

3

01643-31232

WASHER

4

22B-54-11941NK

PLATE (YELLOW)

5

01010-81225

BOLT

6

01643-31232

WASHER

7

22B-54-11951NK

PLATE (YELLOW)

8

01010-81225

BOLT

9

01643-31232

WASHER

10

21W-46-21240NK

COVER (YELLOW)

11

01010-81225

BOLT

12

01643-31232

WASHER

13

22B-54-12980NK

COVER

14

01010-81225

BOLT

15

124-54-26540

WASHER

Выбрано товаров: 15