Качественные детали и логистика
Оригинальные и аналоговые запчасти с доставкой по России, Казахстану и Беларуси
©2022 PartSell ООО "Система" ИНН 2463123282 ОГРН 1212400004838
Центральный офис: г. Красноярск, Академика Киренского, д.87, пом.4
Телефон: 8 (800) 777-65-74 Email: zakaz@partsell.ru
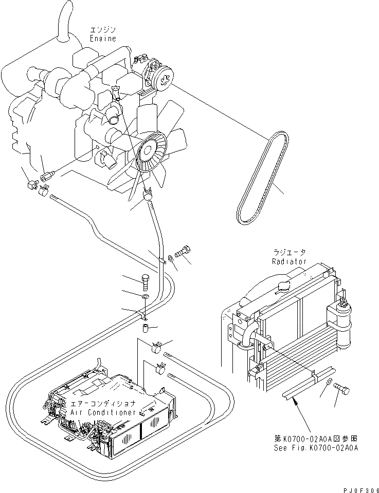
КОНДИЦ. ВОЗДУХА (ШЛАНГИ ОБОГРЕВАТЕЛЯ)
№
Артикул
Название
Примечание
Количество
1
20S-977-1170
ELBOW
2
391-40-13220
NIPPLE
3
11Y-09-11160
CLIP
4
582-35-11170
5
20Y-03-11220
COLLAR
6
04434-52712
7
01010-81225
BOLT
8
01010-81260
9
01643-31232
WASHER
10
04120-21751
V-BELT
Выбрано товаров: 0