Запчасти Komatsu PC138USLC-2 ОСНОВН. КОНСТРУКЦИЯ (ПАНЕЛЬ) (ДЛЯ АВТОМАТИЧ. КОНДИЦ. ВОЗДУХА) КАБИНА ОПЕРАТОРА И СИСТЕМА УПРАВЛЕНИЯ

Схема запчастей Komatsu PC138USLC-2 - ОСНОВН. КОНСТРУКЦИЯ (ПАНЕЛЬ) (ДЛЯ АВТОМАТИЧ. КОНДИЦ. ВОЗДУХА) КАБИНА ОПЕРАТОРА И СИСТЕМА УПРАВЛЕНИЯ
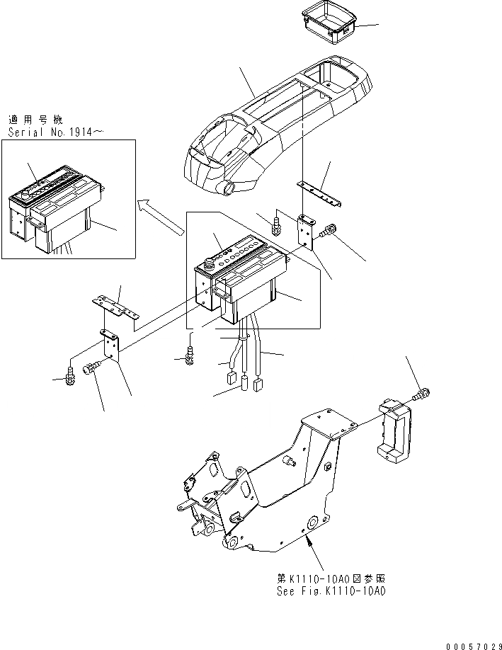
1
1
2
3
3
4
5
6
7
8
8
9
9
10
10
10
11
12
13
14
FIT
1:1
100%

Артикул

Название

Примечание

Количество

1

22B-979-1813

PANEL ASS'Y

1

22B-979-1812

PANEL ASS'Y

2

22B-979-1680

WIRING HARNESS

3

20Y-06-41248

RADIO

3

20Y-06-41245

RADIO

3

20Y-06-41243

RADIO

3

20Y-06-41242

RADIO

3

20Y-06-22741

RADIO

4

08912-51600

CORD

5

22U-43-22210

COVER

6

22U-43-22220

PLATE

7

22U-43-22231

STAY

8

22U-06-22510

BRACKET

9

01023-60510

SCREW

10

01023-60516

SCREW

11

22U-06-22350

WIRING HARNESS

12

08034-00310

BAND

13

01023-60620

SCREW

14

22U-43-22110

TRAY

Выбрано товаров: 19