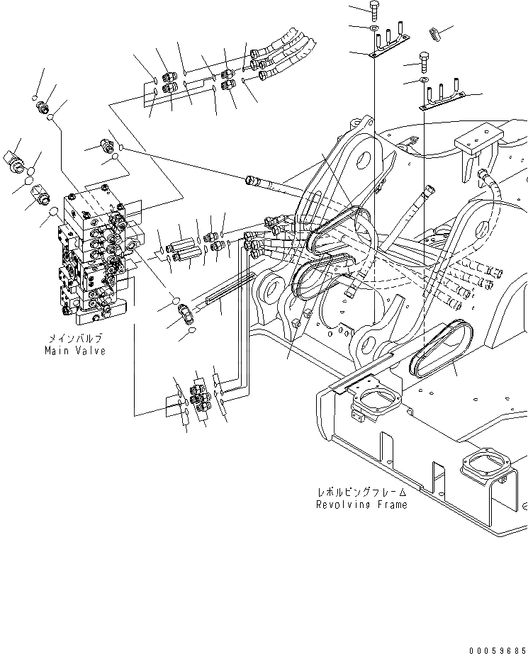
Запчасти Komatsu PC138USLC-8 ГИДРОЛИНИЯ РУКОЯТИ И КОВША(/)(№-) ГИДРАВЛИКА

Схема запчастей Komatsu PC138USLC-8 - ГИДРОЛИНИЯ РУКОЯТИ И КОВША(/)(№-) ГИДРАВЛИКА
1
2
3
4
4
4
5
5
6
6
6
7
7
7
7
7
8
9
10
11
12
13
14
15
16
17
18
19
20
21
22
23
24
25
26
26
26
27
27
28
28
29
29
30
31
32
33
34
35
36
37
38
39
FIT
1:1
100%

Артикул

Название

Примечание

Количество

1

02781-00522

UNION

2

02896-11015

O-RING

3

07002-12434

O-RING

4

02781-00522

UNION

5

22B-62-12150

JOINT

6

02896-11015

O-RING

7

07002-12434

O-RING

8

02782-10628

ELBOW

9

02896-11018

O-RING

10

07002-12434

O-RING

11

02782-10522

ELBOW

12

02896-11015

O-RING

13

07002-12434

O-RING

14

02781-00628

UNION

15

02896-11018

O-RING

16

07002-12434

O-RING

17

02781-00522

UNION

18

02896-11015

O-RING

19

07002-12434

O-RING

20

02781-00522

UNION

21

02896-11015

O-RING

22

07002-12434

O-RING

23

02781-0042A

JOINT

24

02896-11012

O-RING

25

07002-12434

O-RING

26

21Y-62-11340

GROMMET

27

21Y-62-11510

CLAMP

28

01010-81225

BOLT

29

01643-31232

WASHER

30

22B-62-22740

CUSHION

31

22B-62-22920

GROMMET

32

22B-62-15950

JOINT

33

07002-13334

O-RING

34

21W-62-42640

ELBOW

35

207-62-64740

O-RING

36

07002-13334

O-RING

37

02781-00628

UNION

38

07002-12434

O-RING

39

02896-11018

O-RING

Выбрано товаров: 39