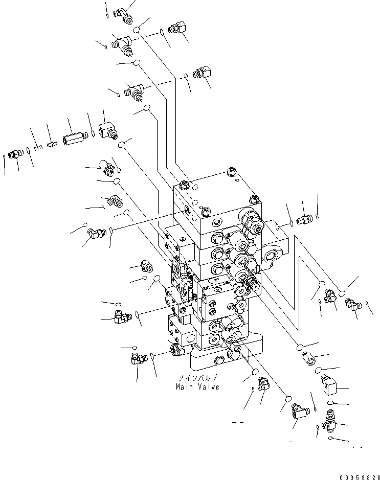
Запчасти Komatsu PC138USLC-8 ГИДРОЛИНИЯ РУКОЯТИ И КОВША(/) ( WAY КЛАПАН)(№-) ГИДРАВЛИКА

Схема запчастей Komatsu PC138USLC-8 - ГИДРОЛИНИЯ РУКОЯТИ И КОВША(/) ( WAY КЛАПАН)(№-) ГИДРАВЛИКА
1
1
2
3
4
5
5
6
7
8
9
9
9
9
9
9
9
9
9
9
10
10
10
10
10
10
10
11
12
13
13
14
14
15
16
17
18
19
20
21
21
22
22
23
23
24
25
26
27
28
29
30
31
32
33
34
35
36
37
38
39
40
41
FIT
1:1
100%

Артикул

Название

Примечание

Количество

1

22B-62-17450

ELBOW

2

22B-62-21950

ELBOW

3

22B-62-21960

TEE

4

22B-62-15840

TEE

5

8234-62-1890

ELBOW

6

203-62-58880

ADAPTER

7

22B-62-12490

ELBOW

8

11Y-62-12330

ELBOW

9

07002-11423

O-RING

10

02896-11008

O-RING

11

22B-62-21810

TEE

12

22B-62-22690

TEE

13

02896-11008

O-RING

14

07002-11423

O-RING

15

02782-10210

ELBOW

16

02896-11008

O-RING

17

07002-11423

O-RING

18

02782-10210

ELBOW

19

02896-11008

O-RING

20

07002-11423

O-RING

21

22B-62-21381

ELBOW

22

02896-11008

O-RING

23

07002-11423

O-RING

24

02782-10311

ELBOW

25

07002-11423

O-RING

26

02896-11009

O-RING

27

20F-61-12460

ELBOW

28

07002-11423

O-RING

|$33

20Y-62-41701

VALVE ASS'Y

29

20Y-60-22210

BODY

30

20Y-60-22270

POPPET

31

701-20-61230

SPRING

32

07002-11423

O-RING

33

20Y-62-47630

NIPPLE

34

07002-11423

O-RING

35

02896-11008

O-RING

36

02781-0031D

UNION

37

02896-11009

O-RING

38

07002-11423

O-RING

39

02782-10210

ELBOW

40

02896-11008

O-RING

41

07002-11423

O-RING

Выбрано товаров: 0