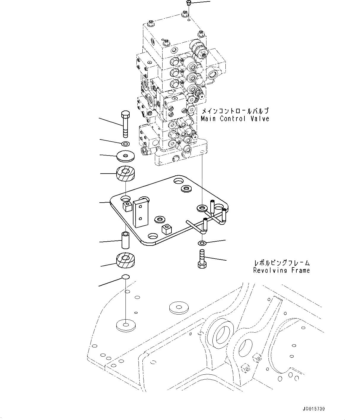
Запчасти Komatsu PC138USLC-8 УПРАВЛЯЮЩ. КЛАПАН, УПРАВЛЯЮЩ. КЛАПАН КОМПОНЕНТЫ (№-) УПРАВЛЯЮЩ. КЛАПАН, С ОТВАЛ, БЕЗ -ДОПОЛН. АКТУАТОР ТРУБЫ, АККУМУЛЯТОР

Схема запчастей Komatsu PC138USLC-8 - УПРАВЛЯЮЩ. КЛАПАН, УПРАВЛЯЮЩ. КЛАПАН КОМПОНЕНТЫ (№-) УПРАВЛЯЮЩ. КЛАПАН, С ОТВАЛ, БЕЗ -ДОПОЛН. АКТУАТОР ТРУБЫ, АККУМУЛЯТОР
1
2
3
4
5
6
7
8
10
8
9
FIT
1:1
100%

Артикул

Название

Примечание

Количество

1

22B-62-21111

Bracket

2

01010-81645

Bolt

3

01643-31645

Washer

4

07049-01012

Plug

5

203-62-61572

Plate

6

01010-81690

Bolt

7

01643-31645

Washer

8

203-54-21110

Cushion

9

203-62-61581

Spacer

10

07000-13025

O-ring

Выбрано товаров: 10