Запчасти Komatsu PC138USLC-8 УПРАВЛЯЮЩ. КЛАПАН, ВНУТР. ЧАСТИ (/7) (№-) УПРАВЛЯЮЩ. КЛАПАН, С ОТВАЛ, -ДОПОЛН. АКТУАТОР ТРУБЫ, АККУМУЛЯТОР

Схема запчастей Komatsu PC138USLC-8 - УПРАВЛЯЮЩ. КЛАПАН, ВНУТР. ЧАСТИ (/7) (№-) УПРАВЛЯЮЩ. КЛАПАН, С ОТВАЛ, -ДОПОЛН. АКТУАТОР ТРУБЫ, АККУМУЛЯТОР
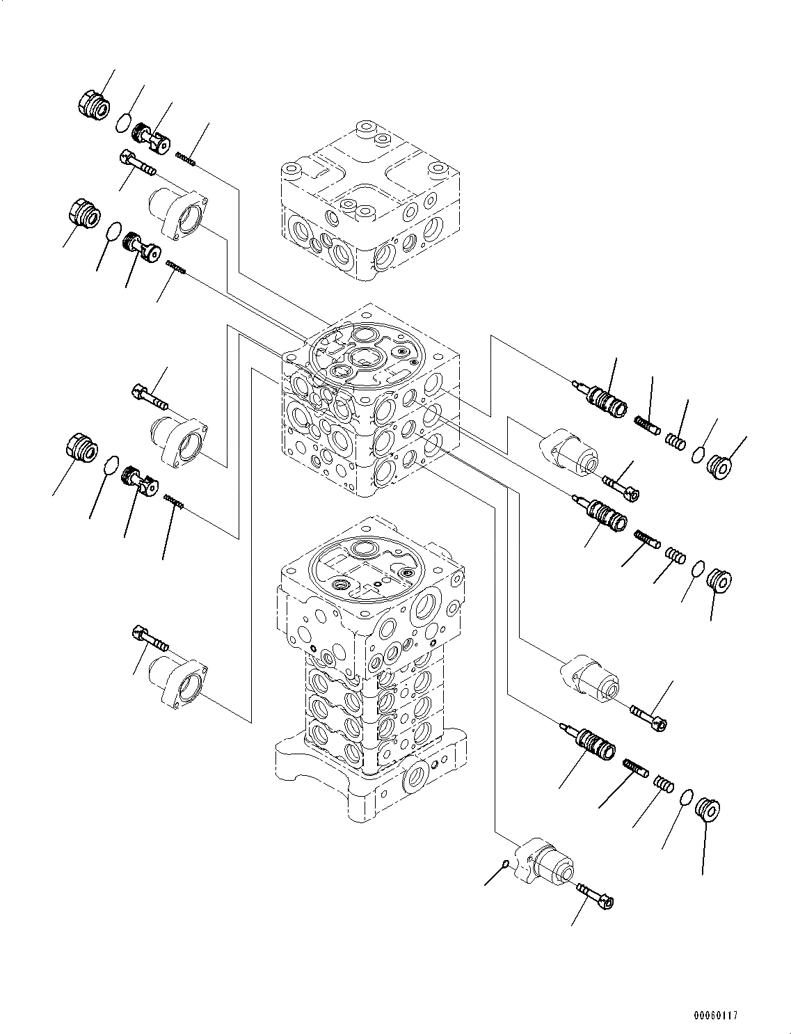
11
8
7
6
14
13
12
12
11
10
8
7
6
14
13
12
11
10
9
8
7
6
5
4
3
2
13
14
2
2
2
2
2
1
FIT
1:1
100%

Артикул

Название

Примечание

Количество

|$0

723-58-14505

Valve, Control

|$1

723-58-14504

Valve, Control

|$2

723-58-14503

Valve, Control

|$3

Body Group

|$4

Body Group

|$5

Body Group

1

07000-11006

O-ring

2

01252-60630

Bolt, Hexagon Socket Head

3

Valve

4

Valve

5

Valve

6

723-56-41710

Spring

7

723-56-41840

Plug

8

07000-13024

O-ring

9

Valve

9

Valve

9

Valve

10

Valve

10

Valve

10

Valve

11

Piston

11

Piston

12

723-56-41730

Spring

13

723-26-15230

Plug

14

07002-12434

O-ring

Выбрано товаров: 25