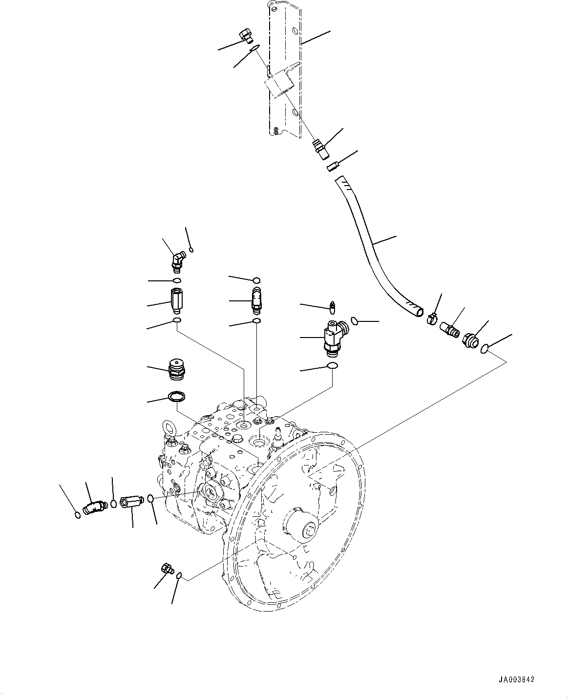
Запчасти Komatsu PC138USLC-8 ПОРШЕНЬ НАСОС, ПОРШЕНЬ НАСОС КОМПОНЕНТЫ (№79-) ПОРШЕНЬ НАСОС

Схема запчастей Komatsu PC138USLC-8 - ПОРШЕНЬ НАСОС, ПОРШЕНЬ НАСОС КОМПОНЕНТЫ (№79-) ПОРШЕНЬ НАСОС
8
19
4
5
6
7
1
3
2
26
25
17
14
16
15
24
23
18
20
22
21
22
20
28
27
11
13
12
9
10
29
FIT
1:1
100%

Артикул

Название

Примечание

Количество

1

02782-10311

Elbow

2

02896-11009

O-ring

3

07002-11423

O-ring

4

201-62-65530

Adapter

5

07002-11423

O-ring

6

02782-10210

Elbow

7

02896-11008

O-ring

8

07002-11423

O-ring

9

201-62-65530

Adapter

10

07002-11423

O-ring

11

02782-10311

Elbow

12

07002-11423

O-ring

13

02896-11009

O-ring

14

22B-62-17110

Elbow

15

02896-11018

O-ring

16

07002-12434

O-ring

17

20B-27-11210

Bleeder

18

21T-06-17940

Plug

19

07002-12434

O-ring

20

566-07-41540

Connector

21

07286-01640

Hose

22

07285-00200

Clip, Hose

23

07040-12412

Plug

24

07002-12434

O-ring

25

07030-03034

Breather

26

07005-03016

Seal, Washer

27

07040-11209

Plug

28

07002-11223

O-ring

29

22B-46-24141

Bracket

Выбрано товаров: 29