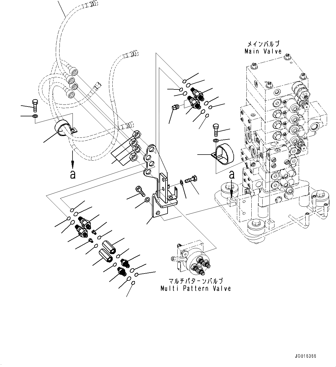
Запчасти Komatsu PC138USLC-8 РАСПРЕДЕЛИТ. КЛАПАН ТРУБЫ, КЛАПАН КОМПОНЕНТЫ (№-) РАСПРЕДЕЛИТ. КЛАПАН ТРУБЫ, С SHIFT PATTERN (ISO/ЭКСКАВАТ.) КЛАПАН СЕЛЕКТОРА

Схема запчастей Komatsu PC138USLC-8 - РАСПРЕДЕЛИТ. КЛАПАН ТРУБЫ, КЛАПАН КОМПОНЕНТЫ (№-) РАСПРЕДЕЛИТ. КЛАПАН ТРУБЫ, С SHIFT PATTERN (ISO/ЭКСКАВАТ.) КЛАПАН СЕЛЕКТОРА
6
5
8
4
7
12
9
11
10
12
3
2
15
2
3
14
18
19
13
1
3
2
1
3
2
16
17
20
22
23
5
12
9
11
7
8
4
6
10
12
23
22
21
24
FIT
1:1
100%

Артикул

Название

Примечание

Количество

|$0

22B-62-21991

Valve Assembly

1

22B-62-19920

Adapter

2

201-60-11390

O-ring

3

20Y-62-19560

O-ring

3

22B-62-24410

Valve Assembly

4

22B-62-24420

Adapter

5

201-60-11390

O-ring

6

20Y-62-19560

O-ring

7

Body

8

203-60-62430

Poppet

9

20Y-62-22410

Nipple

10

201-60-11390

O-ring

11

20Y-62-19560

O-ring

12

07002-11423

O-ring

13

22B-62-22630

Bracket

14

01583-52012

Nut

15

07042-30108

Plug

16

01010-81025

Bolt

17

01643-31032

Washer

18

01010-81235

Bolt

19

01643-31232

Washer

20

207-62-33690

Clip

21

419-09-11150

Clip

22

01010-81225

Bolt

23

01643-31232

Washer

24

22B-62-23661

Hose

Выбрано товаров: 26