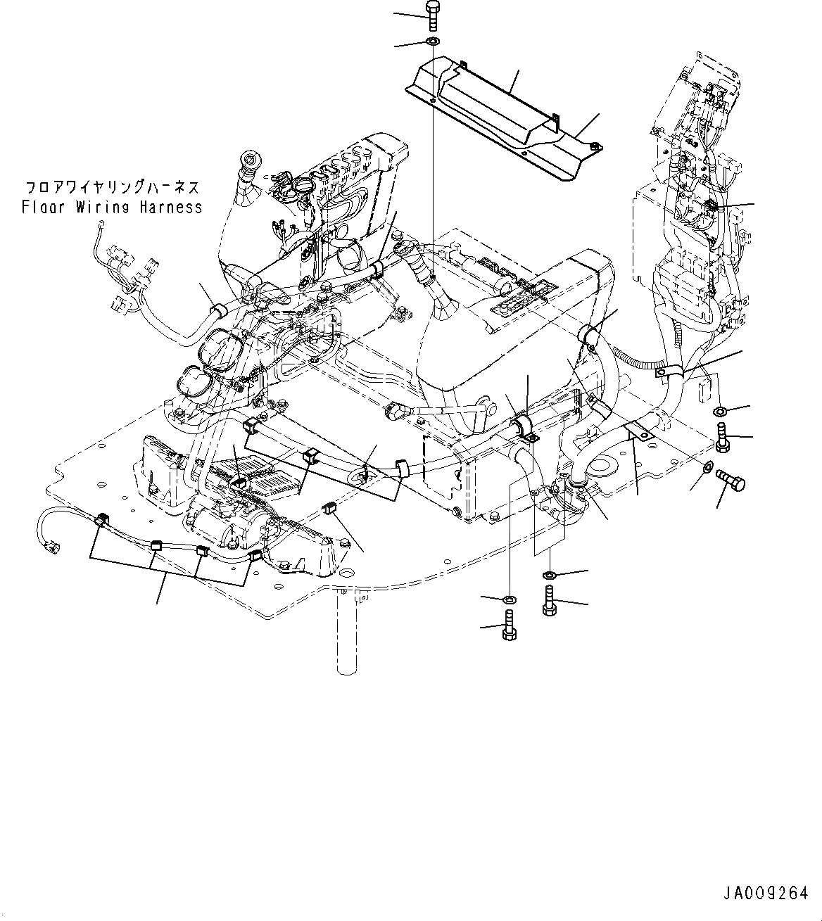
Запчасти Komatsu PC138USLC-8 ОСНОВН. КОНСТРУКЦИЯ, ПРОВОДКА КРЕПЛЕНИЕ (№-) ОСНОВН. КОНСТРУКЦИЯ, БЕЗ ОТВАЛ

Схема запчастей Komatsu PC138USLC-8 - ОСНОВН. КОНСТРУКЦИЯ, ПРОВОДКА КРЕПЛЕНИЕ (№-) ОСНОВН. КОНСТРУКЦИЯ, БЕЗ ОТВАЛ
12
10
18
16
6
5
9
7
13
17
11
8
3
4
10
1
19
7
19
18
15
14
2
8
20
10
7
FIT
1:1
100%

Артикул

Название

Примечание

Количество

|$0

22B-06-28512

Bracket

1

Bracket

2

22B-06-21522

Sheet

3

01010-80816

Bolt

4

01643-30823

Washer

5

01010-81016

Bolt

6

01643-31032

Washer

7

08211-00720

Clip

8

08211-01520

Clip

9

08211-01920

Clip

10

04434-53411

Clip

11

04434-53411

Clip

12

08034-20414

Band

13

04434-53411

Clip

14

01010-81020

Bolt

15

01643-31032

Washer

16

08034-40521

Band

17

07095-20625

Cushion

18

01010-81020

Bolt

19

01643-31032

Washer

20

08034-20536

Band

Выбрано товаров: 21