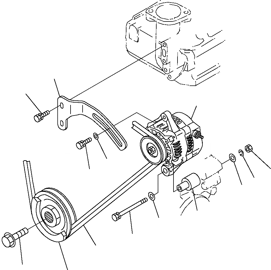
Запчасти Komatsu PC14R-2 ГЕНЕРАТОР И КРЕПЛЕНИЕ ДВИГАТЕЛЬ

Схема запчастей Komatsu PC14R-2 - ГЕНЕРАТОР И КРЕПЛЕНИЕ ДВИГАТЕЛЬ
2
9
1
8
6
3
7
5
10
5
4
11
13
12
FIT
1:1
100%

Артикул

Название

Примечание

Количество

\0

22J-01-R5101

ENGINE, ASSY.

1

KT1K574-6401-5

ALTERNATOR, ASSY.

2

KT17548-6442-0

SUPPORT

3

KT01123-50830

BOLT

4

KT01153-50875

BOLT

5

KT04013-60080

WASHER

6

KT02114-50080

NUT

7

KT04512-60080

SPRING WASHER

8

KT04015-60080

WASHER

9

KT01023-50616

BOLT

10

KT19837-6437-4

COLLAR

11

KT17594-9701-0

V-BELT

12

KT16875-7428-0

PULLEY

13

KT15881-9103-0

BOLT

Выбрано товаров: 14