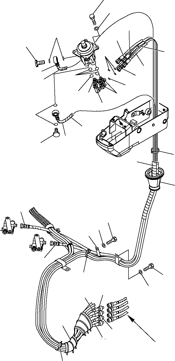
Запчасти Komatsu PC14R-2 ГИДРОЛИНИЯ (ЛЕВ. SERVOCONTRO ЛИНИЯ) РАБОЧЕЕ ОБОРУДОВАНИЕ ГИДРАВЛИКА

Схема запчастей Komatsu PC14R-2 - ГИДРОЛИНИЯ (ЛЕВ. SERVOCONTRO ЛИНИЯ) РАБОЧЕЕ ОБОРУДОВАНИЕ ГИДРАВЛИКА
1
2
9
4
11
3
27
16
8
12
15
10
27
19
18
14
14
17
6
26
7
5
13
27
20
7
24
25
23
12
13
21
8
22
9
28
11
10
13
A
FIT
1:1
100%

Артикул

Название

Примечание

Количество

1

01010-80820

BOLT

2

01643-10823

WASHER

3

702-16-53240

PLUG

4

07000-12018

O-RING

5

203-62-57730

BOLT

6

07000-12018

O-RING

7

22J-62-28210

HOSE, WHITE, BLUE

7

21U-62-34750

BAND, BLUE

7

21U-62-34770

BAND, WHITE

8

22J-62-R8330

HOSE, WHITE

\8

20U-62-22190

O-RING

\8

21U-62-34770

BAND, WHITE

9

22J-62-R8320

HOSE, GREEN

\9

20U-62-22190

O-RING

\9

21U-62-34730

BAND, GREEN

10

22J-62-R8311

HOSE, ORANGE

\10

20U-62-22190

O-RING

\10

21U-62-34740

BAND, ORANGE

11

22J-62-R8311

HOSE, ORANGE

\11

20U-62-22190

O-RING

\11

21U-62-34780

BAND, BROWN

12

20W-62-28270

HOSE, GREEN, RED

\12

21U-62-34730

BAND, GREEN

\12

21U-62-34760

BAND, RED

13

08034-20519

CLAMP

14

22L-09-R1160

ELBOW

15

07002-11423

O-RING

16

02896-11008

O-RING

17

22L-09-R1180

ELBOW

18

07002-11423

O-RING

19

02896-11008

O-RING

20

22M-62-21341

SLEEVE

21

01010-81020

BOLT

22

01643-11032

WASHER

23

04435-51010

CLAMP

24

01010-81020

BOLT

25

01643-11032

WASHER

26

08210-00401

PIPE

27

08210-01201

COVERING

28

22L-09-R490

PIPE

Выбрано товаров: 40