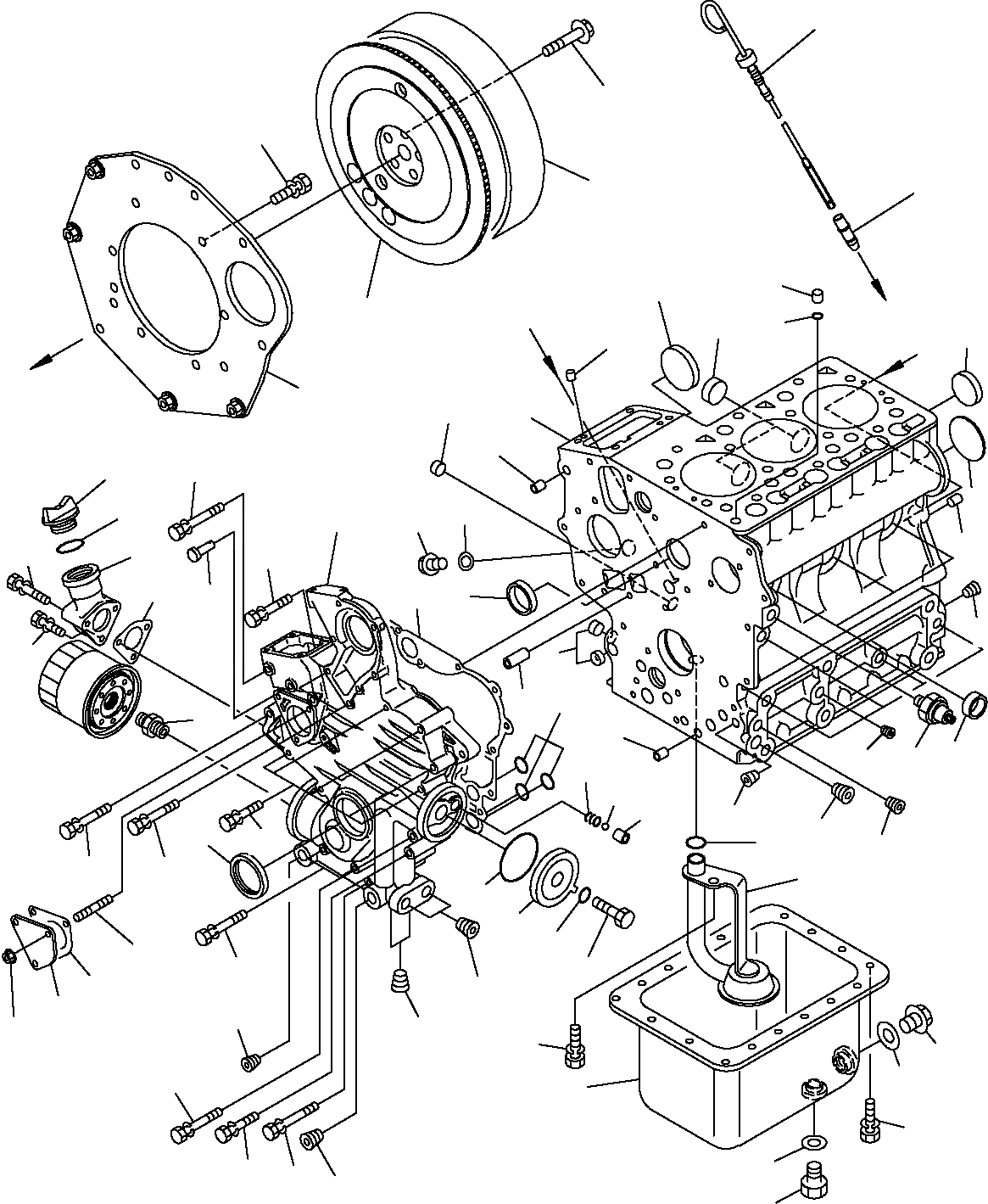
Запчасти Komatsu PC14R-2 БЛОК ЦИЛИНДРОВ И МАСЛЯНЫЙ ПОДДОН ДВИГАТЕЛЬ

Схема запчастей Komatsu PC14R-2 - БЛОК ЦИЛИНДРОВ И МАСЛЯНЫЙ ПОДДОН ДВИГАТЕЛЬ
59
62
64
58
60
11
14
61
15
3
4
9
63
2
1
12
43
52
8
53
17
27
16
54
10
56
39
55
4
38
29
6
57
2
46
13
34
12
3
65
5
35
37
36
6
47
7
25
40
6
41
42
24
32
30
33
50
44
31
49
28
48
28
28
51
26
20
41
21
18
19
23
40
45
28
22
FIT
1:1
100%

Артикул

Название

Примечание

Количество

\0

22J-01-R5101

ENGINE, ASSY.

1

KT1E051-0101-5

BLOCK ASSY, CYLINDER

2

KT16851-9626-1

PLUG

3

KT16851-9627-0

PLUG

4

KT15451-9627-0

PLUG

5

KT15261-9601-0

PLUG

6

KT15521-9602-0

PLUG

7

KT15521-9603-0

PLUG

8

KT15261-9616-0

PLUG

9

KT05012-00508

PIN

10

KT05012-00814

PIN

11

KT15221-3365-0

PIN

12

KT15231-3396-0

PIN

13

KT17331-5919-0

PIN

14

KT16851-1621-2

COVER

15

KT15221-3370-0

O-RING

16

KT06311-55020

PLUG

17

KT04724-00130

GASKET

18

KT1G386-0150-0

LUBRICATING OIL SUMP

19

KT01023-50612

BOLT

20

KT06331-45016

PLUG

21

KT04724-00160

GASKET

22

KT16326-3375-0

PLUG, DRAIN

23

KT6C090-5896-0

GASKET

24

KT1G386-3211-0

PIPE

25

KT04814-00160

O-RING

26

KT01123-60814

BOLT

27

KT17529-0402-0

CASE ASSY, GEAR

28

KT16851-9601-0

PLUG

29

KT15841-5628-0

PIN

30

KT16259-3288-2

COVER

31

KT16259-3290-0

BOLT

32

KT04814-50600

O-RING

33

KT04814-00150

O-RING

34

KT15241-3229-0

PIPE

35

KT16851-3695-0

SPRING

36

KT15841-3693-0

SEAT

37

KT07715-03211

BALL

38

KT15862-0413-2

GASKET

39

KT01023-50618

BOLT

40

KT01023-60650

BOLT

41

KT15841-9101-0

BOLT

42

KT01023-50660

BOLT

43

KT01023-60670

BOLT

44

KT01023-50680

BOLT

45

KT17563-9101-0

BOLT

46

KT04814-06130

O-RING

47

KT15877-0414-0

SEAL, OIL

48

KT19461-8334-0

COVER

49

KT19461-8813-2

GASKET

50

KT15221-8821-0

STUD

51

KT02751-50060

NUT

52

KT1G386-3314-0

PLUG, OIL FILTER

53

KT04817-50300

O-RING

54

KT19090-1131-0

FLANGE

55

KT19483-3312-3

GASKET

56

KT01023-60650

BOLT

57

KT01023-50618

BOLT

58

KT17456-3642-0

GUIDE, OIL GAUGE

59

KT1G386-3641-0

GAUGE, OIL LEVEL

60

KT1G386-2501-0

FLYWHEEL

61

KT16851-6382-2

RING, GEAR

62

KT15533-2516-2

BOLT

63

KT1G386-0462-0

PLATE

64

KT16871-9102-0

BOLT

65

KT15841-3901-0

SWITCH, OIL

Выбрано товаров: 66