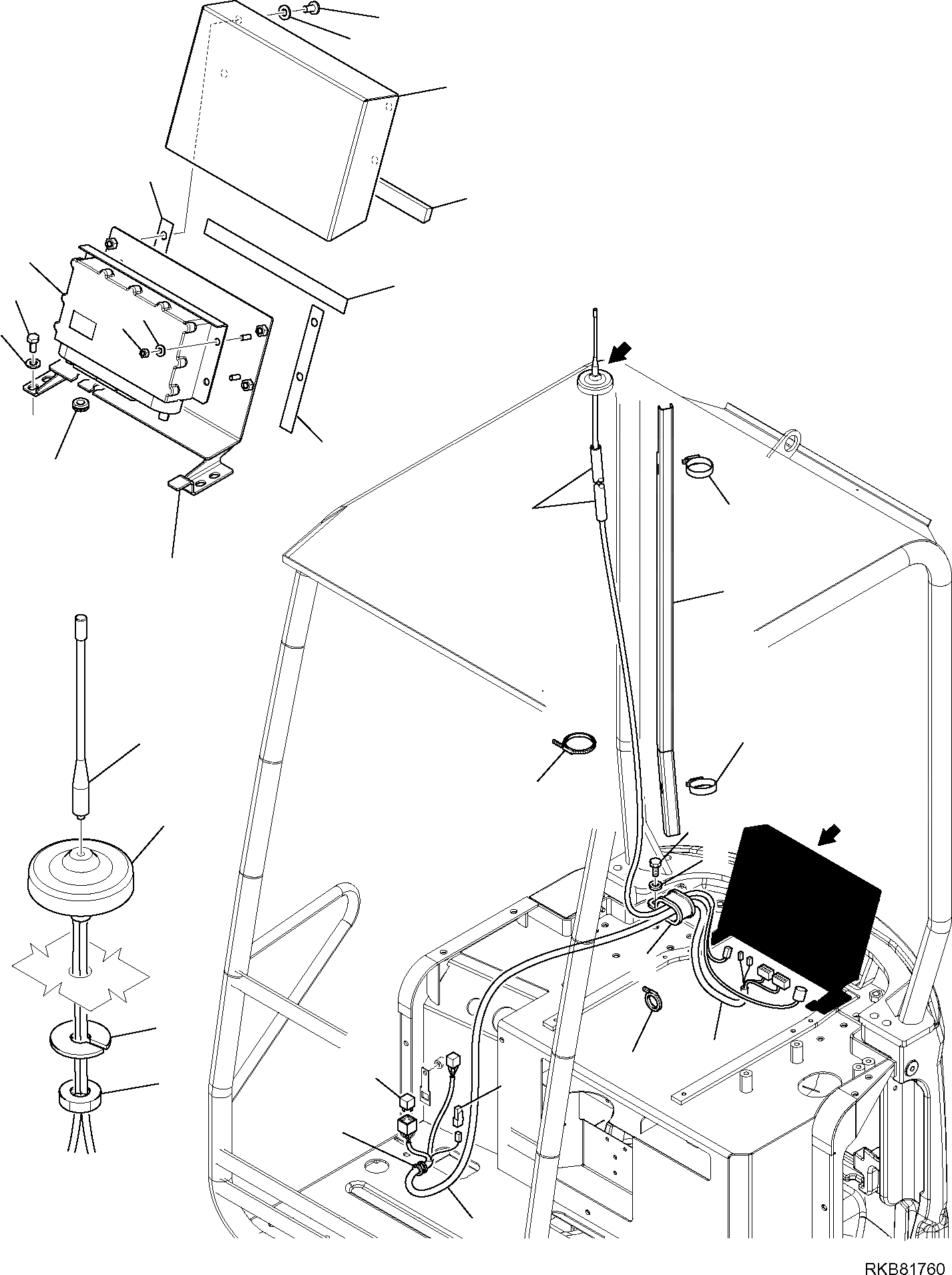
Запчасти Komatsu PC14R-3 HS ЭЛЕКТРИКА (KOMTRAX ЛИНИЯ) (НАВЕС) КОМПОНЕНТЫ ДВИГАТЕЛЯ И ЭЛЕКТРИКА

Схема запчастей Komatsu PC14R-3 HS - ЭЛЕКТРИКА (KOMTRAX ЛИНИЯ) (НАВЕС) КОМПОНЕНТЫ ДВИГАТЕЛЯ И ЭЛЕКТРИКА
11
12
9
4
10
1
3
7
6
5
8
4
25
23
28
2
27
28
21
24
20
18
19
17
22
13
26
14
20
15
16
b
13
b
a
a
FIT
1:1
100%

Артикул

Название

Примечание

Количество

1

7826-24-3001

KOMTRAX CONTROL UNIT

2

22L-09-R2X60

PLATE

3

22L-09-R3X10

SEAL

4

22L-09-R3X20

SEAL

5

01580-10605

NUT

6

01643-10623

WASHER

7

01010-80816

BOLT

8

01643-10823

WASHER

9

22L-09-R2X70

COVER

10

22L-09-R3X30

SEAL

11

37A-09-1W071

BOLT

12

01643-10823

WASHER

13

22L-09-R2X80

WIRING HARNESS

14

885071048

RELAY

15

22L-09-R3G60

DIODE, ASSEMBLY

16

22L-09-R3G30

GROMMET

17

04435-51510

CLAMP

18

01010-81020

BOLT

19

01643-11032

WASHER

20

8A13-10-2260

GPS ANTENNA

21

8A13-10-2270

ORBCOMM ANTENNA

22

2A1-06-11340

WASHER

23

22L-09-R2Y40

PROTECTION

24

08034-20823

CLAMP

25

08037-01008

GROMMET

26

08034-00414

BAND

27

22L-09-R3L50

COVER

28

07281-00489

CLAMP

Выбрано товаров: 0